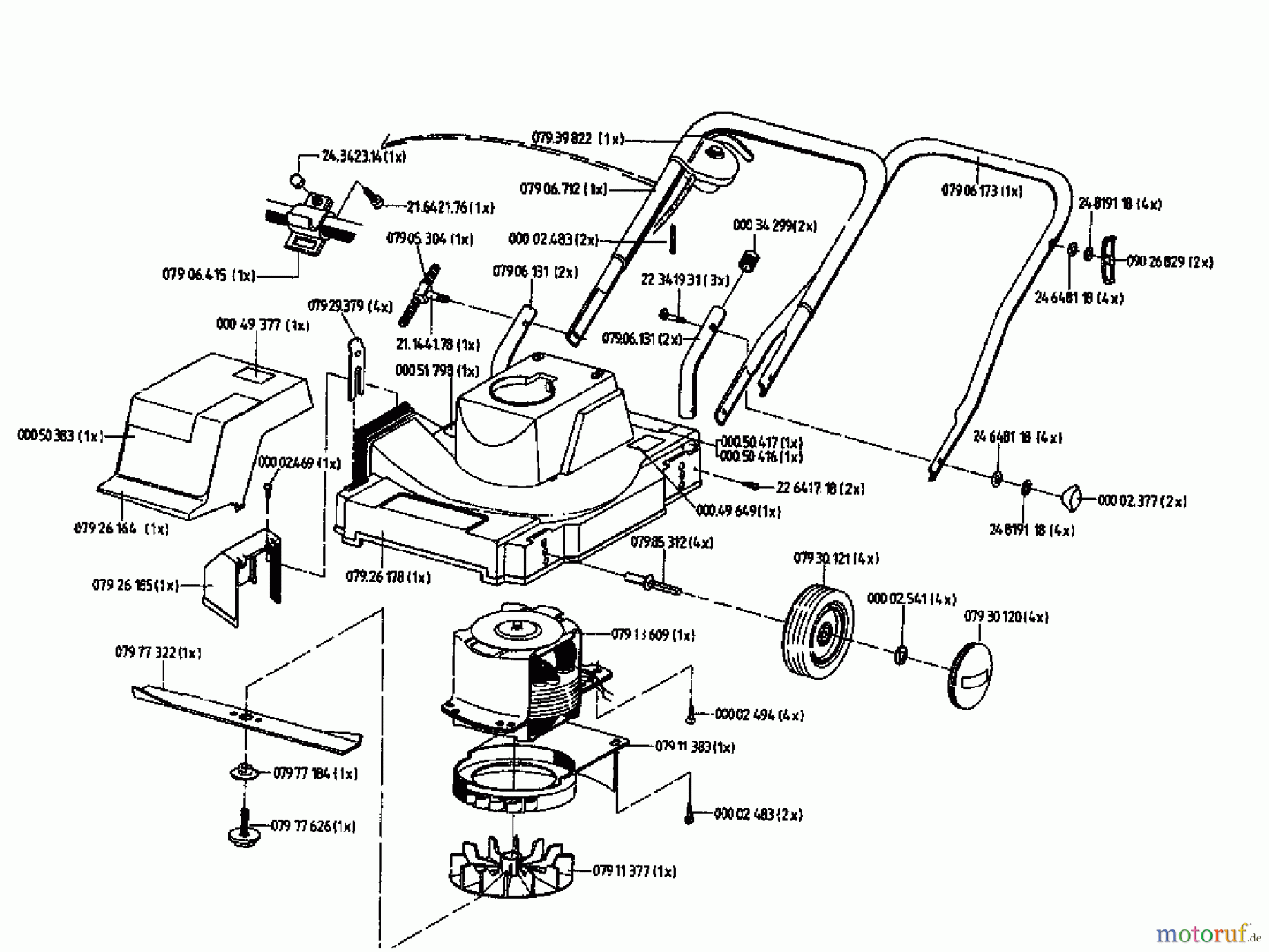
Golf 130 SE 02804.01 (1995) Basic machine Spareparts
Basic machine 02804.01 (1995)

| Pos | Article Number | Description | |
| 22.6 | 22.6417.18 | Screw | |
| 000. | 000.02.541 | CLAMP RIN | |
| 000. | 000.50.417 | Decal | |
| 000. | 000.50.416 | Decal | |
| 079. | 079.30.121 | Wheel | |
| 079. | 079.13.609 | E - Engine | |
| 000. | 000.02.494 | Screw | |
| 000. | 000.49.649 | LABEL | |
| 079. | 079.85.312 | Wheel shaft | |
| 079. | 079.06.173 | Handle lower part | |
| 079. | 079.39.822 | SWITCH | |
| 079. | 079.30.120 | Wheel cap | |
| 000. | 000.02.377 | WING NUT | |
| 079. | 079.06.712 | OBERHOLM VOLLST. | |
| 079. | 079.06.131 | Handle tube | |
| 000. | 000.34.299 | Plug | |
| 000. | 000.02.483 | Screw | |
| 079. | 079.11.383 | COVER | |
| 000. | 000.50.383 | Decal | |
| 079. | 079.26.164 | Hood | |
| 000. | 000.02.469 | PT - Screw | |
| 000. | 000.51.798 | ERSATZTYPENSCHILD 130 SE | |
| 079. | 079.06.415 | CABLE CLAMP | |
| 079. | 079.29.379 | Adjusting lever front | |
| 21.1 | 21.1441.78 | Screw | |
| 079. | ![]() | 079.77.626 | Screw |
| 079. | 079.11.377 | Fan | |
| 079. | 079.77.184 | LOCK WASHER | |
| 079. | 079.26.185 | Deflector | |
| 079. | 079.77.322 | Blade | |
| 079. | 079.26.178 | Mower housing | |
| 21.6 | 21.6421.76 | Screw | |
| 24.3 | 24.3423.14 | Nut | |
| 24.6 | 24.6481.18 | WASHER 8.4 DIN125 | |
| 24.8 | 24.8191.18 | L-washer | |
| 090. | 090.26.829 | WING NUT | |
| 079. | 079.05.304 | WIRE SLEEVE | |
| 000. | 000.49.377 | LGA-Decal | |
| 22.3 | 22.3419.31 | Screw | |


Report Error
Help us to improve this site. Notify us if something is wrong here.


