.com
Shopping Basket
empty
Your Account
Log in
Register
Home
Contact
About
Guestbook
Shipping Costs
Terms and Privacy
SPAREPARTS
Search by Part Number
Diagrams & Parts Lists
Gardening & Forestry
Industry & Shop
Chainsaw Chains
Guide Bars
Sprocket Rims
CATALOG
Mowing, trimming
Engine parts
Workshop
Components
Forestry
Electrical items
Winter items
V-belts / Pulleys
Filters
Toys
Agricultural Parts
Topseller
SERVICE
We search for You
Determine Chain
DE
EN
FR
ES
IT
Mobile
Golf 335 HLE 02873.03 (1987) Basic machine Spareparts
Start
Golf
Electric mower
335 HLE
02873.03 (1987)
Basic machine
Basic machine 02873.03 (1987)
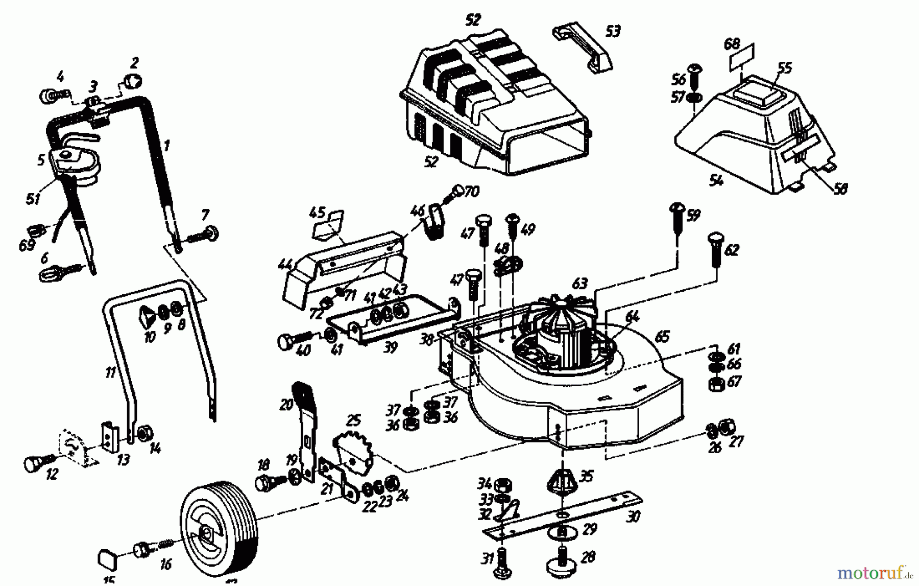
Pos
Article Number
Description
1
079.05.611
Upper handle assy.
2
24.3423.14
Nut
3
079.05.195
Cable clamp
4
21.6421.76
Screw
5
079.38.708
SWITCH
6
000.02.374
EYESCREW
7
22.3417.32
Screw
8
24.6481.18
WASHER 8.4 DIN125
9
24.8192.18
LOCK WASHER
10
090.26.829
WING NUT
11
079.05.323
LOWER HANDLE
12
079.11.164
Insulating screw
13
079.05.178
Handle insulating
14
24.1426.18
NYL STOP NUT M5 DIN 985-8
15
079.29.174
RADKAPPE GRUEN RAL 6018
16
079.29.208
Screw
17
079.29.861
WHEEL
18
079.29.178
Screw
19
28.7111.09
Spring washer
20
079.29.735
LVR ASM:HGT:L0-WHL
21
079.29.295
Adjusting arm
22
24.6481.18
WASHER 8.4 DIN125
23
24.8195.18
Spring washer
24
24.1421.18
Nut
25
079.29.120
PLATE-INDEX
26
24.8195.18
Spring washer
27
24.1421.18
Nut
28
079.77.855
Screw
29
079.77.110
TAB-LOCKING
30
079.77.817
BLADE
31
000.02.379
BOLT
32
079.77.122
Air guide plate
33
24.8195.14
LOCK WASHER
34
24.1421.14
Nut
35
079.77.146
Hub
36
24.1421.14
Nut
37
24.8195.14
LOCK WASHER
38
079.05.151
HANDLE BRACKET
39
079.25.886
CHUTE:SUPPORT:
40
21.1441.68
Screw
41
24.6481.18
WASHER 8.4 DIN125
42
24.8195.18
Spring washer
43
24.1421.18
Nut
44
079.25.438
Rear flap
45
000.49.416
Decal
46
000.30.266
SPRING-EXTENSION
47
21.1441.46
SCREW HEX M5x12 DIN 933-8.8
48
001.10.125
Cable clamp
49
22.6418.35
Screw
51
000.49.309
Decal
52
079.80.148
KORBHAELFTE
53
079.80.109
GRIP
54
079.24.940
Cover
55
079.24.119
PLATE-COVER-HI LO
56
22.6418.43
Screw
57
24.6481.12
WASHER A5.3 DIN 125-ST
58
000.49.159
Decal
59
000.02.443
Screw
61
24.6481.18
WASHER 8.4 DIN125
62
22.3417.28
Screw
63
079.11.666
ELECTRIC MOTOR 900W 220V
64
079.25.447
PROTECTION BOX
65
079.25.223
COVER
66
24.8195.18
Spring washer
67
24.1421.18
Nut
68
000.49.183
LBL.IDENTIFICATION
69
000.13.064
Cable clamp
70
21.1441.45
SCREW M6X18 DIN 933
71
24.8192.14
L-washer
72
24.1421.14
Nut
Report Error
Help us to improve this site. Notify us if something is wrong here.