.com
Home
Contact
About
Guestbook
Shipping Costs
Terms and Privacy
SPAREPARTS
Search by Part Number
Diagrams & Parts Lists
Gardening & Forestry
Industry & Shop
Chainsaw Chains
Guide Bars
Sprocket Rims
CATALOG
Mowing, trimming
Engine parts
Workshop
Components
Forestry
Electrical items
Winter items
V-belts / Pulleys
Filters
Toys
Agricultural Parts
Topseller
SERVICE
We search for You
Determine Chain
Your Account
Log in
Register
Settings
DE
EN
FR
ES
IT
PC Version
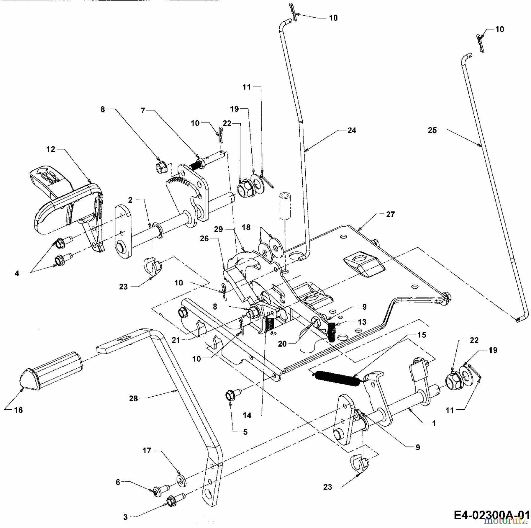
Cub Cadet CC 1527 13A-241G603 (2003) Pedals Spareparts
Start
Cub Cadet
Lawn tractors
CC 1527
13A-241G603 (2003)
Pedals
Pedals 13A-241G603 (2003)
Pos
Article Number
Description
1
647-0031B
CONTROL BRAKE ASSY.
2
647-0049
SHIFT ASSY STEERABLE
3
710-0650
SCR:TT:5/16-18:0.875:HXINDWSH
4
710-1260A
SCR:TT:5/16-18:0.750:HXINDWSH
5
710-0726
SCR:AB:5/16-12:0.750:HXINDWSH
6
710-1611B
SCR:TT:5/16-18:0.750:PANTRXI
7
711-1363
PIN:3/8-16:3/8x2.43 LG
8
712-0431
NUT:FLGLK:3/8-16:GRF:TOP LK
9
712-3004A
NUT:FLGLK:5/16-18:GR5:SD LK
10
714-0104
PIN:COT:.072 DIA x 1.13 LG
11
714-0111
COTTER PIN 3/32 DIA X 1.00
12
719-0584
PEDAL CONTROL
13
732-0335
Spring
14
732-0955
SPR:EXTN:.50 OD x 1.41 LG
15
732-0963
SPRING:EXTN: .50 DIA x 6.37 LG
16
735-3049
FOOT BRAKE PAD
17
736-3008
WASH:FL:.344 X.750 X.120
18
736-0133
WASH:FLAT:.411 X 1.25 X .100
19
736-0187
FL-WASH .640 IDX1.24 OD X .06
20
738-0155
BOLT:SHLDR:.435 x.160:5/16-18
21
738-0507B
SCR:SHLDR: .500 DIA X .434
22
741-0225
BRG:HEX FLNG
23
741-3065B
BRG:HEX FLG:.628 ID:SPLIT
24
747-04093
ROD-BRAKE
25
747-04096
ROD:CONT:CRUISE:8&9 STYLE
26
748-0413
LATCH-CRUISE
27
783-0653F
BRACKET-STEERING SPT
28
783-1469B
29
783-0663C
BRKT:LKOUT:HYDRO
Report Error
Help us to improve this site. Notify us if something is wrong here.