Your Account
Settings PC Version

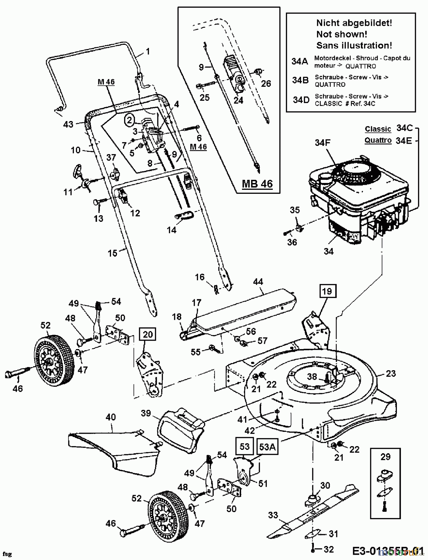
Mastercut MB 46 11A-704A659 (2000) Basic machine Spareparts

Basic machine 11A-704A659 (2000)

 Mastercut Petrol mower MB 46 11A-704A659  (2000) Basic machine
PosArticle NumberDescription
1 747-0824BRAKE BAIL
2 811-00303SG:CONT:THROT:STD W/O CHOKE
3 646-0875THROTTLE BODY
4 Mastercut LEVER-THROTTLE746-0876LEVER-THROTTLE
5 Mastercut WASH:SPR:.663 x.980 x.014736-0501WASH:SPR:.663 x.980 x.014
6 710-0605SCR:MACH:1/4-20:1.825:OVALCSK
7 712-0324NUT:HEXLK:1/4-20:GR8:NYLON
8 746-0843WIRE: THROT: 55" LG
9 746-0554CBL:CONT:40.5 LG
10 749-0705HANDLE-UPPER
11 710-1205BOLT:EYE:1/4-20: BENT ROPE GDE
12 720-0276KNOB
13 710-1174BOLT:CRG:5/16-18:2.0 CRVD
14 726-0240TIE:CBL:3/16:7.0 LG
15 749-0928HNDL:LWR:2-POS HT ADJ
16 Mastercut PIN:COT:.072 DIA x 1.13 LG714-0104PIN:COT:.072 DIA x 1.13 LG
17 732-0712WIRE:TRAILSCHIELD.162 X 15.625
18 731-1261TRSHD: 4.30 X 15.66 LG
19 682-3001ABRKT ASM:HNDL:LH 9-POS HGT ADJ
20 682-3000ABRKT ASM:HNDL:RH 9-POS HGT ADJ
21 Mastercut WASH:BLVL:.390 x 1.380 x .062736-0356WASH:BLVL:.390 x 1.380 x .062
22 712-0798NUT:HEX:3/8-16:GR2
23 682-0051ADECK ASSY. 18"/46CM
24 746-0883HOUSING (W/O THROTTLE)
25 710-1270SCR:MACH:1/4x20:1.310:OVALCSK
26 712-0324NUT:HEXLK:1/4-20:GR8:NYLON
29 Mastercut BLADE LOCK ADAPTER-KIT811-00248BLADE LOCK ADAPTER-KIT
30 Mastercut BLADE LOCK ADAPTER748-0376CBLADE LOCK ADAPTER
31 736-0524ABLADE BELL SUPPORT
32 Mastercut HEX.SCREW 3/8-24:1.50:GR8:SPEC710-1044HEX.SCREW 3/8-24:1.50:GR8:SPEC
33 Mastercut BLADE:18"MULCHING W/STAR742-0738BLADE:18"MULCHING W/STAR
34 752B2171E1ENGINE QUATTRO
34A 751B281857ENGINE HOOD QUATTRO
34B 751B095225SCREW 10-32:2. 320 HXWSH
34C 751B225250MUFFLER PROTECTION
34D 710-1268HEX. SCREW:B:#10-16:0.375
34E 751B224591EXHAUST PROTECTION
34F 751B224819FAN PROTECTION
35 751B213146CLAMP:CASNG:B&S THROTTLE
36 710-1237HEXSCREW:T:10-32:.625:HXINDWSH
37 720-0279WING NUT
38 Mastercut SCR:TTSEMS:3/8-16:1.000:HXLWSH710-0654ASCR:TTSEMS:3/8-16:1.000:HXLWSH
39 682-7002PLUG-HINGED MULCHING
40 731-1409CHUTE ASSY.
41 Mastercut WASHER:BLVL:.265 x .750 x .060736-0270WASHER:BLVL:.265 x .750 x .060
42 Mastercut SCREW:TT:1/4-20:0.500:HXINDWSH710-0599SCREW:TT:1/4-20:0.500:HXINDWSH
43 720-0295GRIP:FOAM:HNDL 22" W/SKIN
44 782-7015COVER
46 738-0102SCREW-SHLD
47 Mastercut SPRING WASHER .401 x.870 x.063736-0105SPRING WASHER .401 x.870 x.063
48 Mastercut SCR:SHLDR: .500 DIA X .434738-0507BSCR:SHLDR: .500 DIA X .434
49 14832LEVER & KNOB ASSY
50 15262BBAR:WHL PIVOT: SMALL
51 15261APLATE-HGT ADJ
52 734-1987USE 734-1510B
53 14578ADJ ASM:HGT:SMALL 9 POS RH
53A 14579ADJ ASM:HGT:SMALL 9 POS LH
54 720-0190KNOB: ADJ: HEIGHT
55 710-0118HHCS:5/16-18:.75:GR2:STD
56 Mastercut WASHER:LOCK:5/16:SPLT:REG736-0119WASHER:LOCK:5/16:SPLT:REG
57 712-0267NUT:HEX:5/16-18:GR2
Rasen
Bankeinzug, MasterCard, Visa, American Express, PayPal, Nachnahme, Vorauskasse, Sofortüberweisung
Report Error
Help us to improve this site. Notify us if something is wrong here.