.com
Shopping Basket
empty
Your Account
Log in
Register
Home
Contact
About
Guestbook
Shipping Costs
Terms and Privacy
SPAREPARTS
Search by Part Number
Diagrams & Parts Lists
Gardening & Forestry
Industry & Shop
Chainsaw Chains
Guide Bars
Sprocket Rims
CATALOG
Mowing, trimming
Engine parts
Workshop
Components
Forestry
Electrical items
Winter items
V-belts / Pulleys
Filters
Toys
Agricultural Parts
Topseller
SERVICE
We search for You
Determine Chain
DE
EN
FR
ES
IT
Mobile
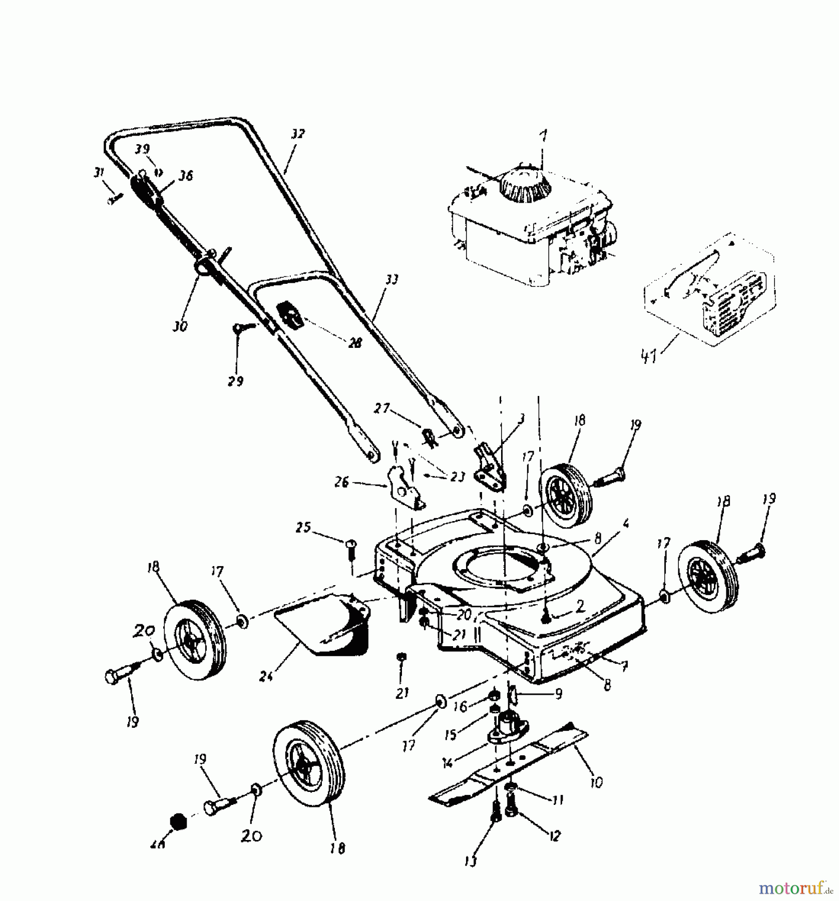
Nizza NIZZA 40 119-0081 (1989) Basic machine Spareparts
Start
Nizza
Petrol mower
NIZZA 40
119-0081 (1989)
Basic machine
Basic machine 119-0081 (1989)
Pos
Article Number
Description
2
710-0654
3
10960
4
11922
7
712-0342
NUT-HEX CENTER L-JAM
8
736-0258
WASHER:FLAT:.385 x 1.0 x.135
9
714-0365
KEY-HI-PRO
10
742-0118
BLADE-15IN
11
736-0217
WASHER:LOCK:3/8:HEAVY DUTY
12
710-0191
HHCS:3/8-24:1.25:GR8:SPEC
13
710-0888
HEX SCR SPECIAL
14
748-2000
MESSERMITNEHMER M.KEIL
15
736-0119
WASHER:LOCK:5/16:SPLT:REG
16
712-0123
NUT:HEX:5/16-24:GR2
17
736-0219
WASH:BELL:.389 x 1.120 x.030
18
734-2060
19
738-2042
AXLE BOLT
20
736-0108
WASH-FLAT:.510 x.750 x.033
21
712-0107
NUT-HEX CENTER L
23
710-0252
SCREW-HEX
24
11928
BAFFLE
25
710-0286
SCREW
26
10961
27
714-0474
PIN:COTTER 1/8 OD x.75
28
09966
29
710-0405
USE 710-1174
30
731-2036
TIE-PLASTIC
31
710-0606
SCREW HHCS:1/4-20:1.50:GR5:STD
32
749-2033
HANDLE-UPPER
33
749-2032
USE 749-0928-0637
36
746-2010
39
712-0107
NUT-HEX CENTER L
Report Error
Help us to improve this site. Notify us if something is wrong here.