.com
Shopping Basket
empty
Your Account
Log in
Register
Home
Contact
About
Guestbook
Shipping Costs
Terms and Privacy
SPAREPARTS
Search by Part Number
Diagrams & Parts Lists
Gardening & Forestry
Industry & Shop
Chainsaw Chains
Guide Bars
Sprocket Rims
CATALOG
Mowing, trimming
Engine parts
Workshop
Components
Forestry
Electrical items
Winter items
V-belts / Pulleys
Filters
Toys
Agricultural Parts
Topseller
SERVICE
We search for You
Determine Chain
DE
EN
FR
ES
IT
Mobile
Nizza NIZZA 40 SL 115-0081 (1985) Basic machine Spareparts
Start
Nizza
Petrol mower
NIZZA 40 SL
115-0081 (1985)
Basic machine
Basic machine 115-0081 (1985)
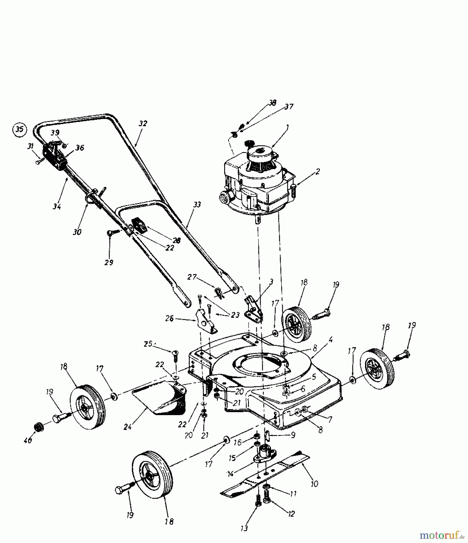
Pos
Article Number
Description
2
710-2038
SKT-SCHR. M8X30,DIN 933
3
70163
LENKERBEFESTIGUNG LINKS
4
70159
HOUSING
5
736-2004
SICHERUNGSSCHEIBE 8"
6
712-2004
SKT-MUTTER M 8,DIN 934/5
7
712-2005
SKT.MUTTER M 10
8
736-2029
SPANNSCH.A10,DIN 6796/FST
9
714-0365
KEY-HI-PRO
10
742-0118
BLADE-15IN
11
736-0217
WASHER:LOCK:3/8:HEAVY DUTY
12
710-0152
SCREW HHCS:3/8-24:1.00:GR5:STD
13
710-2037
SKT-SCHR.M 8X25, DIN 933
14
748-2000
MESSERMITNEHMER M.KEIL
15
736-2004
SICHERUNGSSCHEIBE 8"
16
712-2004
SKT-MUTTER M 8,DIN 934/5
17
736-2029
SPANNSCH.A10,DIN 6796/FST
18
734-2056
USE WD-C37855
19
738-2040
AXLE BOLT
20
736-2003
washer
21
712-2003
SKT-MUTTER M 6,DIN 934/5
22
736-2047
SCHEIBE 6.4X18X1.5"
23
710-2166
Screw
24
70162
Deflecter
25
710-2205
FLK-SCHR. M6X12, DIN 85
26
70164
LENKERBEFESTIGUNG RECHTS
27
715-2087
COTTER PIN
28
712-2056
WING NUT
29
710-2213
SCREW
30
731-2036
TIE-PLASTIC
31
710-2214
LSK-SCHR. M5X60, DIN 955
32
749-2033
HANDLE-UPPER
33
749-2032
USE 749-0928-0637
34
746-2001
THROTTLE WIRE 39.L RED
35
746-2002
CABLE
36
K33-5126
CONTROL-THROTTLE
37
710-2154
Screw
38
70168
Screw
39
712-2002
SKT-MUTTER M 5,DIN 934
Report Error
Help us to improve this site. Notify us if something is wrong here.