.com
Home
Contact
About
Guestbook
Shipping Costs
Terms and Privacy
SPAREPARTS
Search by Part Number
Diagrams & Parts Lists
Gardening & Forestry
Industry & Shop
Chainsaw Chains
Guide Bars
Sprocket Rims
CATALOG
Mowing, trimming
Engine parts
Workshop
Components
Forestry
Electrical items
Winter items
V-belts / Pulleys
Filters
Toys
Agricultural Parts
Topseller
SERVICE
We search for You
Determine Chain
Your Account
Log in
Register
Settings
DE
EN
FR
ES
IT
PC Version
Rotaro ROTARO 48 188-0156 (1988) Basic machine Spareparts
Start
Rotaro
Petrol mower
ROTARO 48
188-0156 (1988)
Basic machine
Basic machine 188-0156 (1988)
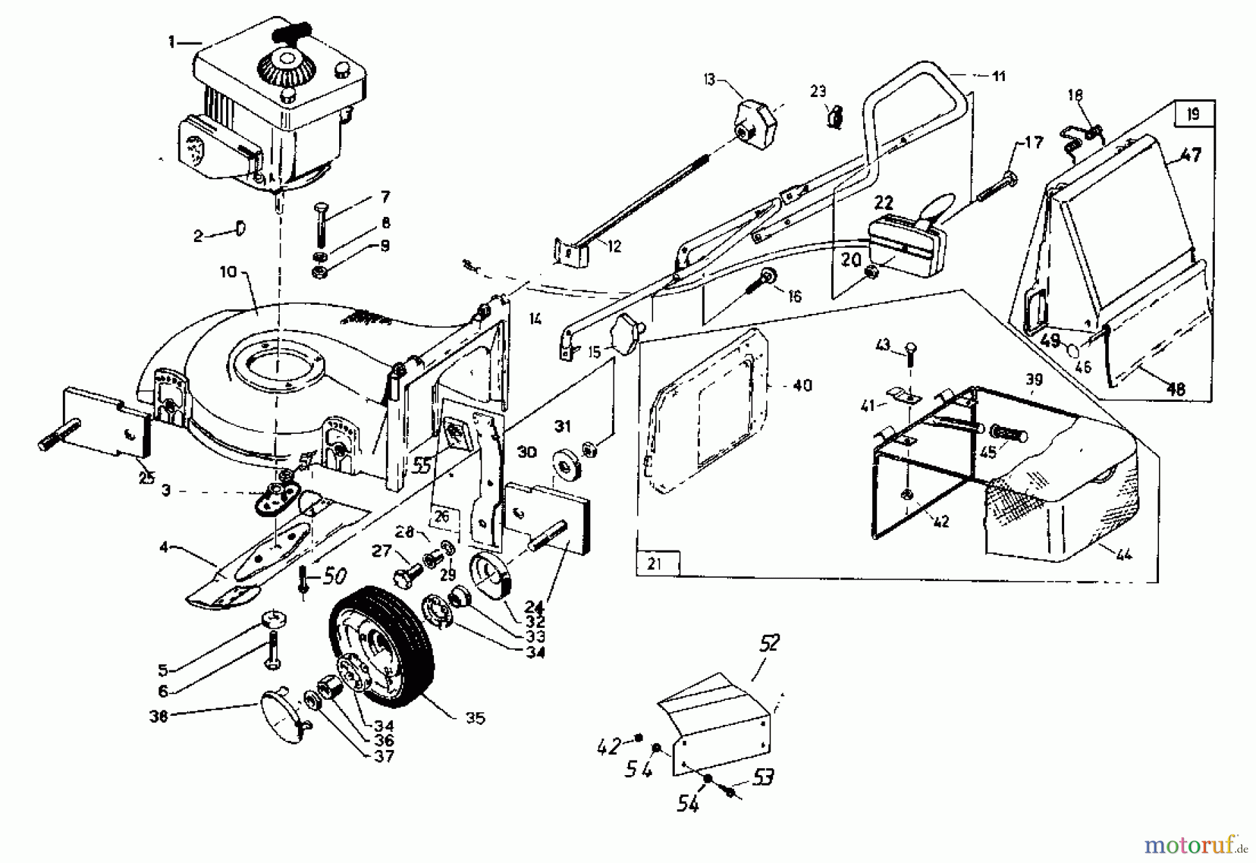
Pos
Article Number
Description
2
R64-0400
R64-0400/916.4.0400.0
3
R14-0831
4
R24-801
5
R44-1100
Washer
6
R04-1001
SKT-SCHRAUBE 3/8 X 1 1/4"
7
R04-0818
SKT.SCHRAUBE M8X80
7
R04-0813
SKT-SCHRAUBE M 8 X 55
8
R54-0802
9
R34-0800
SKT-MUTTER M 8
10
R24-0020
DECK ASSY
11
R21-1910
HANDLE-UPPER
12
R21-1932
ROD:LATCH:REL:BAG 250L/300L
13
R21-1950
KNOB-NUT
14
R21-1914
HANDLE-LOWER
15
R31-1950
KNOB-NUT
16
R94-0800
BOLT-CARRIAGE
17
R04-0603
SKT-SCHRAUBE 6 X 50
18
R24-0660
SPRING-EXTENSION
19
R24-0601
20
R34-0600
21
R14-0705
BAG ASSY. YELLOW
22
731-2049
22
746-2009
THROTTLE WIRE 39.L RED
22
R32-1001
SWITCH ASSY
23
R32-4510
24
R21-1150
R21-1150/302.11.151.02
25
R21-1100
STELLPLATTE LINKS
26
R21-1301
LEVER-SPRING
27
R04-0811
SKT.SCHRAUBE 8X35
28
R24-0802
SPACER
29
R14-1201
TELLERFEDER 28 X 12,2 X 1
30
R44-1001
washer
31
R34-0800
SKT-MUTTER M 8
32
R11-1170
STAUBSCHUTZRING
33
R11-1141
34
R64-0619
BEARING-THRUST
35
R21-9300
WHEEL
36
R11-1131
NUT-CONE
37
R11-1180
NUT
38
R21-9010
HUB-CAP
39
R14-0771
FRAME-CATCHER-FR
40
R24-0752
GRILLE
41
R34-0731
PLATE
42
R34-0500
SKT-MUTTER M 5
43
R04-0501
SKT-SCHRAUBE M 5 X 18
44
R14-0715
GRASS BAG
45
R72-2200
HANDLE GRIP
46
R24-0142
ACTUATOR SHAFT
47
R24-0611
CHUTE ASSY.
48
R24-0100
SCHUTZSTREIFEN
49
R54-0600
PLUG-EXPANSION
50
710-2248
SKT-SCHR. M10X20, DIN 933
52
R24-0920
BRACKET
53
R84-0500
SKT-SCHRAUBE M 5 X 14
54
R44-0500
SCHEIBE 5
55
R21-1360
GRIP-CLUTCH
Report Error
Help us to improve this site. Notify us if something is wrong here.