back to
>
Roth / TORO
>
Hand operated
>
Snowthrower
>
Two stage
>
1132
>
610/38160
>
6000001
>
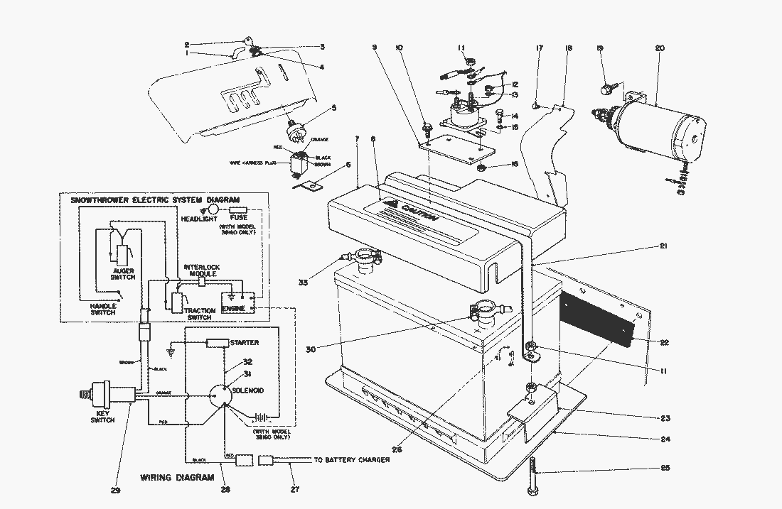
12 Volt Start Engine Kit 42-3370 (Optional)
Spare Parts Lists for Toro Roth / TORO 12 Volt Start Engine Kit 42-3370 (Optional)
pos.
decription
spare part number
Smarter Switch
42-3990
pos.
decription
spare part number
1
Decal Key Switch
38-0640
2
Keys
33-2010
3
Hex Nut
218-461
4
Lockwasher
3254-5
6
Bracket Wire Clamp
22-9060
7
Battery Cover (Incl. Ref.
8-2839
8
Decal-Caution
38-0630
9
Solenoid Mounting Bracket
22-8880
10
Screw Thread Forming
32144-10
11
Hex Nut
3217-6
12
Hex Nut
3219-14
13
Lockwasher
3254-1
14
Capscrew
321-2
15
7 Lock washer
3255
16
42 Locknut
3296
17
Self Tapping Screw
32108-57
18
Pinion Shield
20-7060
19
Hex Hd. Sems Screw
32140-45
20
21
Strap Battery Cover
22-8850
22
Battery Isolation Pad
24-6150
23
Battery Hold Downs
22-8870
24
Battery Mounting Plate
22-8830
25
Capscrew
322-10
26
Tie Wrap
3290-378
27
Wire Assembly
29-7830
28
Wire Assembly
29-7820
29
Wire Harness
424000
30
Battery Cable
22-9320
31
Solenoid
6-1600
32
Wire Assembly
22-9310
33
Battery Cable
22-9330
Charger 110V (U.S. &Canada)
26-3870
Charger 220V (Europe)
26-7140
Lists
Toro
Roth / TORO
Ride-On Mowers
Hand operated
Sweeper
Snowthrower
Attachements
Two stage
1332 PowerShift
1232 PowerShift
1132 PowerShift
1132
610/38160
9000001
7000001
6000001
Engine B&S Model No. 252416-0677-01 (Cont.)
Engine B&S Model No. 252416-0677-01
Grader Blade Assy. (Model No. 59099) (Optional)
Chute Extension Kit 26-1100 (Optional)
Snow Cab Assy. Model 42-3380
12 Volt Start Engine Kit 42-3370 (Optional)
Starter Engine Kit Model No. 37-4630 (Optional)
Handle Assy. (Cont.)
Handle Assy.
Engine Assy.
Wheel Assy.
Traction Assy.
Traction Assy. (Cont.)
Auger Assy. (Cont.)
Auger Assy.
5000001
4000001
3000001
2000001
1000001
0000001
1028 PowerShift
924 PowerShift
828 PowerShift
824 PowerShift
824 XL
824
724
624 PowerShift
622
521
3521
Single stage
Vac/Blower
Lawnmower
Robin
Terms and Conditions
(C) by motoruf