back to
>
Roth / TORO
>
Hand operated
>
Snowthrower
>
Single stage
>
CCR 3000
>
642/38435
>
7900001
>
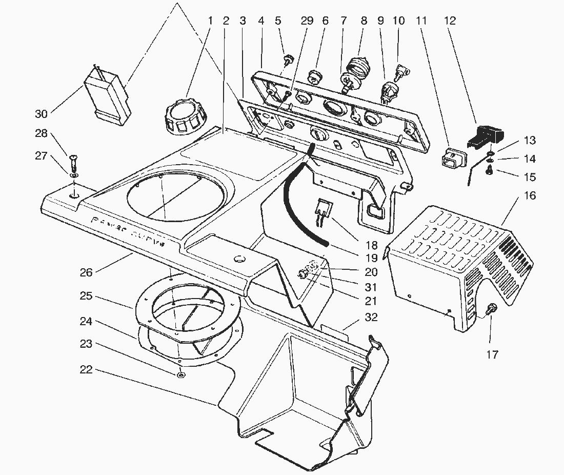
Control Panel & ShroudING Assy.
Spare Parts Lists for Toro Roth / TORO Control Panel & ShroudING Assy.
pos.
decription
spare part number
12-4659
pos.
decription
spare part number
1
Gas Cap Assembly
55-3573
2
Decal-CCR-3000E GTS
94-8875
4
Name Plate Control (Model No. 38185)
61-4410
Name Plate Control (Model No. 38186)
94-2569
5
Screw-Self Tapping
32144-112
6
Guide-Starter Rope
55-9410
7
Body-Primer
44-2750
8
Bulb-Primer
66-7460
9
Switch
40-5940
10
Key-Ignition
63-8360
11
Fitting-Choke Control
55-8820
12
Control-Choke (Model No. 38180)
55-8810
Control-Choke (Model No. 38180C)
55-8811
13
Linkage-Choke
94-2798
14
Washer
3256-49
15
Screw-Pan Hd.
32144-111
16
Shield-Heat
55-9210
17
Screw-Hex. Hd.
32105-8
18
Connector Body
218-532
19
Hose-Primer
44-3171
20
Washer-Rubber
55-9660
21
Locknut
3296-12
22
Shroud-Lower
55-8791
23
Pushnut
3290-474
24
Retainer-Chute Seal
55-9540
25
Seal-Chute
55-9260
26
Upper Shroud Assembly (Incl. Ref.
94-9899
27
Washer
3256-22
28
Screw-Phillips
3250-32
29
Thread Forming Screw
32144-27
30
31
Washer
3256-14
32
Decal-Warning (Model No. 38185C)
61-4790
Lists
Toro
Roth / TORO
Ride-On Mowers
Hand operated
Sweeper
Snowthrower
Attachements
Two stage
Single stage
Snow Commander
CCR 3650 GTS
CCR 3000
643/38437
643/38436
642/38435
9900001
8900001
7900001
Engine Assy. (Cont.) Model No. 47PT6-5
Engine Assy. Model No. 47PT6-5
Handle Assy.
Starter Engine & Switch Housing Assy.
Control Panel & ShroudING Assy.
Engine & Main Frame Assy.
Rotor Assy.
Discharge Chute Assy.
Drive Assy.
Housing Assy.
642/38433
642/38431
CCR 2450
CCR 2400
CCR 2000
CR 1000
CR 20
CR 20 R
S 620
S 200
CCR Powerlite
Vac/Blower
Lawnmower
Robin
Terms and Conditions
(C) by motoruf