back to
>
Roth / TORO
>
Hand operated
>
Snowthrower
>
Two stage
>
1132 PowerShift
>
630/38565
>
8000001
>
Engine Assy.
Spare Parts Lists for Toro Roth / TORO Engine Assy.
pos.
decription
spare part number
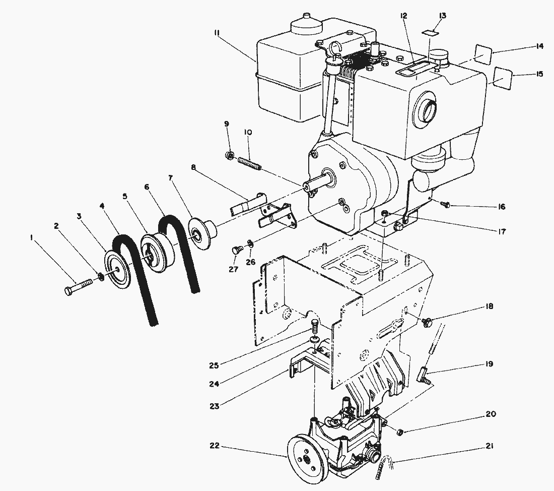
1
Screw-Cap Hex Hd.
3212-8
2
Washer-Lock
3253-6
3
Sheave Half-Impeller
62-0940
4
Belt-Impeller
63-2964
5
Hub-Sheave
62-0930
6
Belt-Traction
63-2953
7
Sheave Half-Traction
62-0920
8
Guide-Belt
63-2970
9
Pipe Cap
288-4
10
Pipe Nipple
289-20
11
12
Decal-Hot Surface (Model No. 38500)
62-7290
Decal-Hot Surface (Model No. 38505)
63-2310
13
Decal-Choke (Model No. 38580)
63-2360
Decal-Choke (Model No. 38565)
63-2460
14
Decal-Primer
63-2320
15
Decal-Throttle
63-2340
16
Screw
2210-250
17
Flange Nut
32128-20
18
Screw-Hex. Washer Hd.
3234-7
19
Joint-Ball
63-2640
20
Locknut
3296-6
21
Chain-Drive
63-2930
22
Transmission Assembly
62-0190
23
Frame-Transmission
63-2990
24
Washer-Belleville
3290-461
25
Screw-Cap Hex Hd.
11-0590
26
Lockwasher
3253-4
27
Screw-Cap Hex Hd.
3210-1
Lists
Toro
Roth / TORO
Ride-On Mowers
Hand operated
Sweeper
Snowthrower
Attachements
Two stage
1332 PowerShift
1232 PowerShift
1132 PowerShift
630/38580
630/38566
630/38565
9000001
8000001
120 V Electric Starter Engine No. 396506 (Optional)
Engine B&S Model No. 252416 TYPE 0749-01 (Model 38565)
Engine B&S Model No. 252416 TYPE 0755-01 (Model 38580)
Handle Assy.
Traction Linkage Assy.
Traction Drive Assy.
Transmission Assy. No. 62-0190 (Cont.)
Transmission Assy. No. 62-0190
Engine Assy.
Housing & Chute Assy. (Cont.)
Housing & Chute Assy.
1132
1028 PowerShift
924 PowerShift
828 PowerShift
824 PowerShift
824 XL
824
724
624 PowerShift
622
521
3521
Single stage
Vac/Blower
Lawnmower
Robin
Terms and Conditions
(C) by motoruf