back to
>
Roth / TORO
>
Hand operated
>
Snowthrower
>
Two stage
>
1132 PowerShift
>
630/38565
>
8000001
>
Traction Drive Assy.
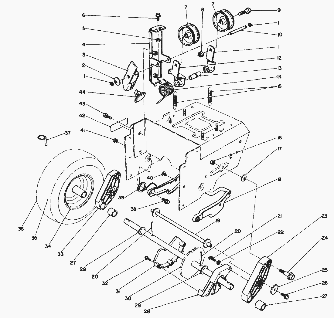
Spare Parts Lists for Toro Roth / TORO Traction Drive Assy.
pos.
decription
spare part number
62-0150
62-1090
63-3150
pos.
decription
spare part number
1
Ring-Retaining
32120-46
2
Washer-Curved
3290-477
3
Arm-Brake
63-2820
4
Bracket-Idler Arm
63-2850
5
MUTTER
3296-42
6
Hex Flange Capscrew
3234-13
7
Pulley Idler
3-4244
8
Nut-Lock
3296-59
9
Screw-Cap Hex Hd.
323-7
10
Pin-Idler
62-0970
11
Arm-Traction Idler
62-1260
12
Arm-Impeller Idler
62-1280
13
Bushing-Idler
62-1210
14
Spring-Torsion
63-2881
15
Spring-Extension
63-2870
16
Locknut
3296-39
17
Washer-Belleville
3290-461
18
Latch-Arm
62-0470
19
Tube-Pivot
63-3440
20
Roll Pin
32121-9
21
Screw Thread Forming
32144-4
22
Washer-Plain
3256-1
24
Bolt-Shoulder
62-1330
25
Washer
63-3360
26
Thread Forming Screw
32144-41
27
Bushing-Axle
63-2250
28
Guard-Chain L.H.
62-1010
29
Thrust Washer
252-80
30
Axle Assembly
63-2112
31
Guard-Chain R.H.
62-1000
32
Screw-Hex Flange Hd.
32104-118
34
Rim-Wheel
241-125
35
Tube-Inner
232-48
36
Tire
231-123
37
Klip Pin
3290-243
38
Bolt-Shoulder
5-2490
39
Spring-Torsion
63-2740
40
Fastener-Panel
3290-476
41
Nut-Lock
3296-47
42
Decal-Adjustment (Model No. 38500)
63-3460
Decal-Adjustment (Model No. 38505)
63-3470
43
Screw-Hex. Washer Hd.
3234-7
44
Brake Pad-Molded
40-8140
Lists
Toro
Roth / TORO
Ride-On Mowers
Hand operated
Sweeper
Snowthrower
Attachements
Two stage
1332 PowerShift
1232 PowerShift
1132 PowerShift
630/38580
630/38566
630/38565
9000001
8000001
120 V Electric Starter Engine No. 396506 (Optional)
Engine B&S Model No. 252416 TYPE 0749-01 (Model 38565)
Engine B&S Model No. 252416 TYPE 0755-01 (Model 38580)
Handle Assy.
Traction Linkage Assy.
Traction Drive Assy.
Transmission Assy. No. 62-0190 (Cont.)
Transmission Assy. No. 62-0190
Engine Assy.
Housing & Chute Assy. (Cont.)
Housing & Chute Assy.
1132
1028 PowerShift
924 PowerShift
828 PowerShift
824 PowerShift
824 XL
824
724
624 PowerShift
622
521
3521
Single stage
Vac/Blower
Lawnmower
Robin
Terms and Conditions
(C) by motoruf