back to
>
Roth / TORO
>
Hand operated
>
Snowthrower
>
Two stage
>
824
>
612/38080
>
6000001
>
Engine Assy.
Spare Parts Lists for Toro Roth / TORO Engine Assy.
pos.
decription
spare part number
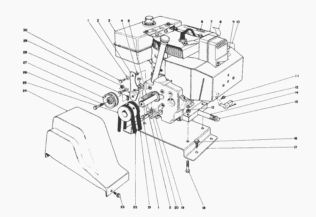
1
Lockwasher
3255-8
2
Idler Arm
20-1800
3
Fuel Tank w/Cap
52-2670
4
Spacer
40-8490
5
Key
5-0930
6
Decal-Hazards Caution
54-9750
7
Engine
49-2890
8
Decal-Primer
39-3860
9
Decal-Hot Surface Warning
53-7680
10
Decal-Choke
39-3850
11
Screw Thread Forming
32144-4
12
Module Interlock
41-8601
13
MUTTER
3296-29
14
Pipe Nipple
289-34
15
Pipe Cap
288-2
16
Hex Thread Forming Screw
32144-15
17
Plate Engine Mounting
37-0320
18
Capscrew
322-7
19
Belt Retainer
17-5530
20
Washer
3256-23
21
V-Belt Traction
20-1820
22
V-Belt Auger
26-9670
23
Screw Thread Forming
32144-10
24
Belt Guard
20-1830
25
Engine Pulley
21-4100
26
Capscrew
323-8
27
Pulley Idler
3-4244
28
Set Screw
3246-14
29
Locknut
3296-44
30
Capscrew
3210-3
Lists
Toro
Roth / TORO
Ride-On Mowers
Hand operated
Sweeper
Snowthrower
Attachements
Two stage
1332 PowerShift
1232 PowerShift
1132 PowerShift
1132
1028 PowerShift
924 PowerShift
828 PowerShift
824 PowerShift
824 XL
824
612/38080
8000001
7000001
6000001
Recoil Starter No. 590606
Engine Tecumseh Model No. HM80-155291K (Cont.)
Engine Tecumseh Model No. HM80-155291K
Carburetor No. 632334
Starter Engine110V Kit No. 37-4810 (Optional)
Light Kit No. 54-9821 (Optional)
Snow Cab Assy. Model 42-3380
Grader Blade Assy. Model 59099
Handle Assy. (Cont.)
Engine Assy.
Handle Assy.
Traction Assy.
Traction Assy. (Cont.)
Auger Assy. (Cont.)
Auger Assy.
5000001
4000001
3900001
2000001
724
624 PowerShift
622
521
3521
Single stage
Vac/Blower
Lawnmower
Robin
Terms and Conditions
(C) by motoruf