back to
>
Roth / TORO
>
Hand operated
>
Snowthrower
>
Two stage
>
1132
>
610/38160
>
3000001
>
Engine Assy.
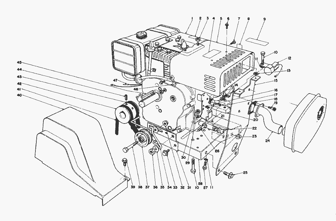
Spare Parts Lists for Toro Roth / TORO Engine Assy.
pos.
decription
spare part number
1
Engine
221-640
2
Decal-Hazards Caution
41-8540
3
Nut
32153-3
4
Decal Hot Surface Warning
29-6390
5
Heater Box
39-1780
6
Hex Washer Hd. Thread Forming Screw
12-3270
7
Screw
32144-12
8
Choke Decal
29-6400
9
Decal Syncro Balance
42-1740
10
Capscrew
322-9
11
Int.Tooth Lockwasher
3254-2
12
Interlock Module
41-8610
13
Washer
25-1600
14
Hex Sems Screw
32140-70
15
Muffler Mounting Bracket
39-1740
16
Internal Tooth Lockwasher
3254-10
17
Locknut
3296-1
18
Gasket
39-1810
19
Socket Screw
3274-12
20
Engine Mounting Block
22-8960
21
Pipe Nipple
289-20
22
Pipe Cap
2884
23
Retained Nut
3290433
24
Exhaust Pipe
39-1800
25
Capscrew
323-6
26
Carriage Bolt
3231-27
27
Capscrew
322-3
28
Engine Base
43-7510
29
Washer
3256-23
30
MUTTER
3296-29
31
Bracket-Belt Idler
41-8580
32
Locknut
3290-357
33
Hex Thread Forming Screw
32144-15
34
Belt Guide
41-8590
35
Flat Washer
3256-24
36
Hex Locknut
32146-2
37
Pulley Idler
244-63
38
Capscrew
323-8
39
Screw Thread Forming
32144-10
40
Belt Guard
17-6550
41
V-Belt Auger
26-9670
42
Engine Pulley
214100
43
V-Belt Traction
17-6540
44
Set Screw
3246-14
45
Key
5-0930
46
Brace Heater Box
39-1790
47
Wire
36-7490
Decal Replacement Serial Plate
25-9150
Lists
Toro
Roth / TORO
Ride-On Mowers
Hand operated
Sweeper
Snowthrower
Attachements
Two stage
1332 PowerShift
1232 PowerShift
1132 PowerShift
1132
610/38160
9000001
7000001
6000001
5000001
4000001
3000001
Grader Blade Assy. (Model No. 59099) (Optional)
Chute Extension Kit 26-1100 (Optional)
Snow Cab Assy. Model 42-3380 (Optional)
Engine B&S Model No. 252416-0190-01 (Cont.)
Engine B&S Model No. 252416-0190-01
12 Volt Start Engine Kit 37-4640 (Optional)
Handle Assy. (Cont.)
Handle Assy.
Wheel Assy.
Engine Assy.
Traction Assy. (Cont.)
Traction Assy.
Auger Assy.
Auger Assy. (Cont.)
2000001
1000001
0000001
1028 PowerShift
924 PowerShift
828 PowerShift
824 PowerShift
824 XL
824
724
624 PowerShift
622
521
3521
Single stage
Vac/Blower
Lawnmower
Robin
Terms and Conditions
(C) by motoruf