back to
>
Roth / TORO
>
Hand operated
>
Snowthrower
>
Two stage
>
1132
>
610/38160
>
3000001
>
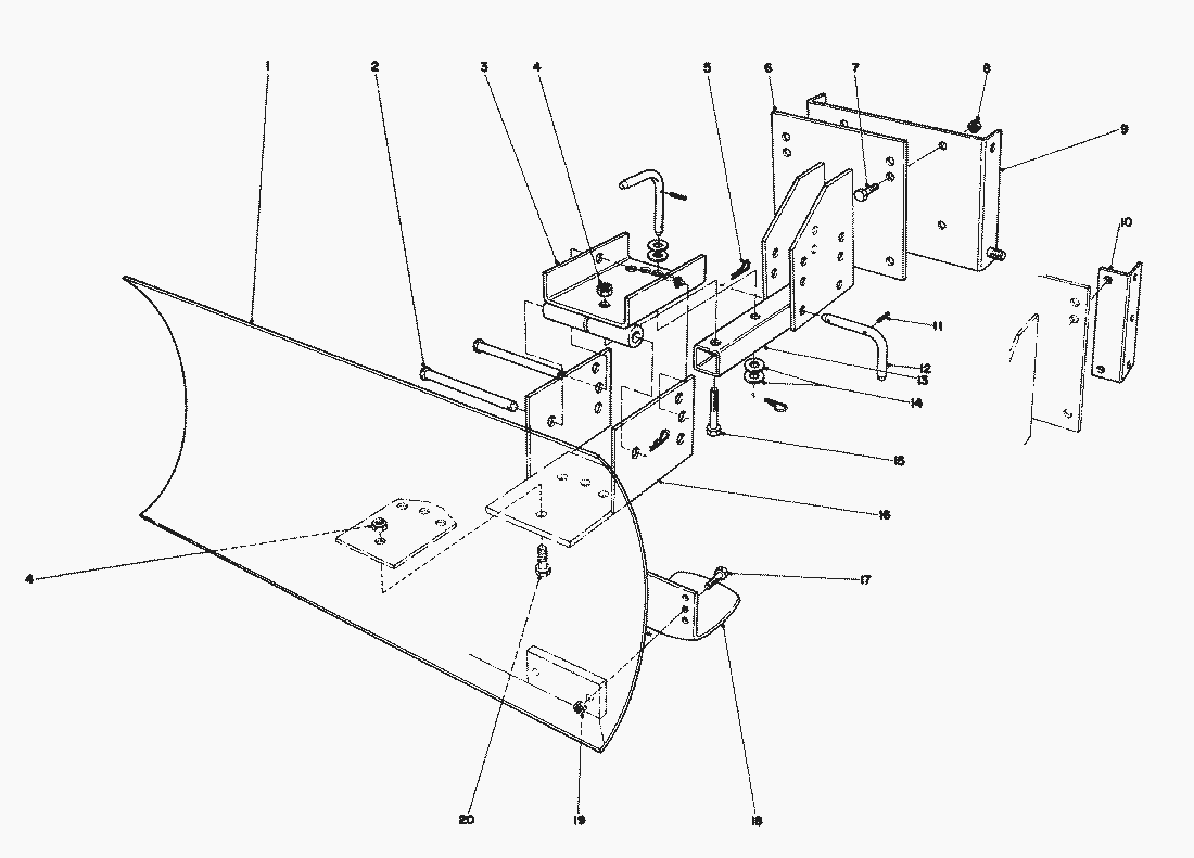
Grader Blade Assy. (Model No. 59099) (Optional)
Spare Parts Lists for Toro Roth / TORO Grader Blade Assy. (Model No. 59099) (Optional)
pos.
decription
spare part number
20-5210
pos.
decription
spare part number
1
Blade
7-4374
2
Pin
283-38
3
Swivel Bracket
20-5090
4
Locknut
32152-3
5
Hair Pin Cotter
3290-322
6
Mounting Plate Bracket (used with 826 and 1032 only)
224920
7
Capscrew
323-6
8
Locknut
32152-2
9
Mounting Plate
20-5170
10
Mounting Rail (Used with 421 Units only)
39-7850
11
Roll Pin
32121-45
13
Blade Tongue
20-5140
14
Flat Washer
3256-5
15
Capscrew
325-11
16
Blade Adjustment Plate
20-5130
17
Capscrew
322-6
18
Skid
7-1023
19
Locknut
32152-1
20
Capscrew
325-5
Air Cleaner Kit (B & S)
20-9960
Lists
Toro
Roth / TORO
Ride-On Mowers
Hand operated
Sweeper
Snowthrower
Attachements
Two stage
1332 PowerShift
1232 PowerShift
1132 PowerShift
1132
610/38160
9000001
7000001
6000001
5000001
4000001
3000001
Grader Blade Assy. (Model No. 59099) (Optional)
Chute Extension Kit 26-1100 (Optional)
Snow Cab Assy. Model 42-3380 (Optional)
Engine B&S Model No. 252416-0190-01 (Cont.)
Engine B&S Model No. 252416-0190-01
12 Volt Start Engine Kit 37-4640 (Optional)
Handle Assy. (Cont.)
Handle Assy.
Wheel Assy.
Engine Assy.
Traction Assy. (Cont.)
Traction Assy.
Auger Assy.
Auger Assy. (Cont.)
2000001
1000001
0000001
1028 PowerShift
924 PowerShift
828 PowerShift
824 PowerShift
824 XL
824
724
624 PowerShift
622
521
3521
Single stage
Vac/Blower
Lawnmower
Robin
Terms and Conditions
(C) by motoruf