back to
>
Roth / TORO
>
Hand operated
>
Snowthrower
>
Two stage
>
824 PowerShift
>
628/38546
>
99000001
>
Engine Assy.
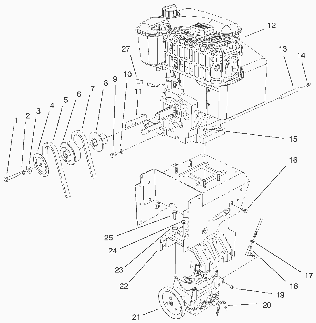
Spare Parts Lists for Toro Roth / TORO Engine Assy.
pos.
decription
spare part number
1
Screw-Cap Hex Hd.
3212-8
2
Washer-Lock
3253-6
3
Washer
3256-41
4
Sheave Half-Impeller
62-0940
5
Belt-Impeller
63-2961
6
Hub-Sheave
62-0930
7
Belt-Traction
63-2951
8
Sheave Half-Traction
62-0920
9
Screw-Cap Hex Hd.
3210-1
10
Lockwasher
3253-4
11
Belt Guide ASM
68-7510-03
12
13
Pipe Nipple
289-34
14
Pipe Cap
288-2
15
Flange Nut
32128-20
16
Screw-Hex. Washer Hd.
3234-7
17
Jam Nut
3220-3
18
Ball Joint
78-2920
19
Locknut
3296-6
20
Chain-Drive
63-2940
21
Transmission Assembly
66-8030
22
Transmission Frame ASM
63-2990-03
23
Washer-Belleville
3290-461
24
Cap Plug
95-7947
25
Screw-Cap Hex Hd.
11-0590
27
Cap-Wire
94-2782
Lists
Toro
Roth / TORO
Ride-On Mowers
Hand operated
Sweeper
Snowthrower
Attachements
Two stage
1332 PowerShift
1232 PowerShift
1132 PowerShift
1132
1028 PowerShift
924 PowerShift
828 PowerShift
824 PowerShift
628/38546
99000001
120 Volt Electric Starter No. 33329D (Optional)
Traction Drive Assy.
Handle Assy.
Traction Linkage Assy.
Transmission Assy. No. 66-8030 (Cont.)
Transmission Assy. No. 66-8030
Engine Assy.
24 Auger Gearcase Assy. No. 74-1560
Housing and Chute Assy. (Cont.)
Housing and Chute Assy.
628/38543
628/38540
824 XL
824
724
624 PowerShift
622
521
3521
Single stage
Vac/Blower
Lawnmower
Robin
Terms and Conditions
(C) by motoruf