| pos. | decription | spare part number | |
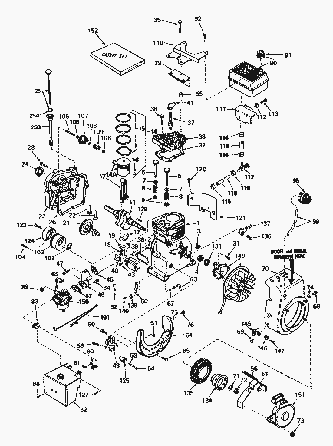
| 104 | Screw, Hex Hd. | 650493 |
| 105 | Washer, Flat | 30590A |
| 106 | Shaft, Mechanical Governor | 30574 |
| 108 | Ring, Retaining | 29193 |
| 109 | Spool, Governor | 30588A |
| 110 | Bracket, Fuel Tank Mounting | 28371B |
| 111 | Bracket, Fuel Tank Mounting | 34182 |
| 112 | Washer, Flat | 650675 |
| 113 | Screw, Hex Hd. w/Belleville Washer | 650805 |
| 116 | Clamp, Fuel Line | 26460 |
| 117 | Valve, Fuel Shut-off | 32961 |
| 118 | Line, Fuel | 30705 |
| 119 | Line, Fuel | 29774 |
| 120 | Screw, Fil. Hd. | 650128 |
| 121 | Extension, Blower Housing | 29745 |
| 123 | Screw, Hex Washer Hd., Self-tap | 650665 |
| 124 | Cover, Muffler | 30997 |
| 125 | Knob, Control | 32410 |
| 127 | Screw, Hex Washer Hd., Self drilling | 650765 |
| 129 | Key, Flywheel | 610961 |
| 131 | Gasket, Stator | 33876 |
| 134 | Cup, Starter | 34694 |
| 135 | Screen, Starter | 33668 |
| 136 | Screw, Hex Washer Hd. Self-tap. | 30200 |
| 137 | Bracket, Hold Down | 34212 |
| 139 | Clamp, Governor Lever | 31335 |
| 140 | Screw, Hex Washer Hd. | 650548 |
| 145 | Bracket, Grommet Mounting | 34126 |
| 146 | Grommet, Plastic | 28545 |
| 147 | Screw, Pan Hd. Self-tap. | 650643 |
| 149 | Magneto (The complete magneto is not available as an assembly. The magneto number is shown for reference purposes only. Order | 611030 |
| 150 | Carburetor (Incl. | 632114 |
| 151 | Starter Assy., Rewind | 590473 |
| 152 | Gasket Set | 33233 |