back to
>
Roth / TORO
>
Hand operated
>
Snowthrower
>
Two stage
>
3521
>
621/38035
>
4000001
>
Starter Engine Kit Model 23-3790 (Optional)
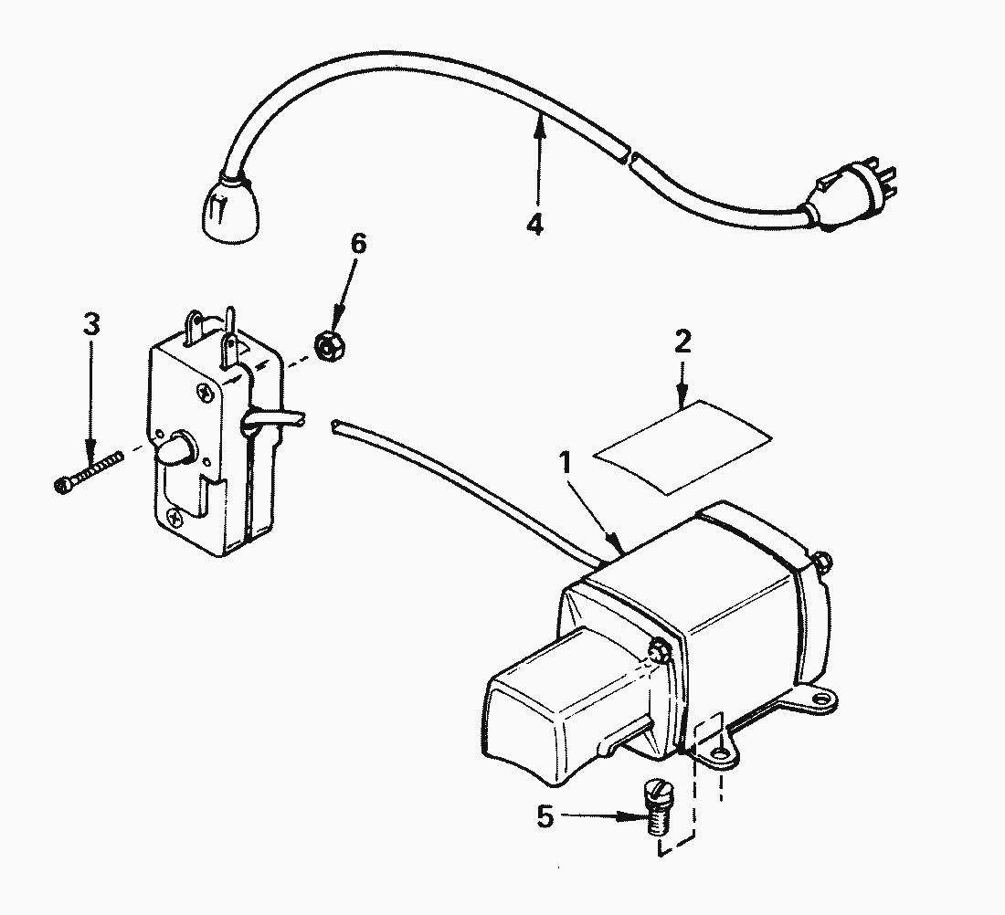
Spare Parts Lists for Toro Roth / TORO Starter Engine Kit Model 23-3790 (Optional)
pos.
decription
spare part number
33517A
pos.
decription
spare part number
2
Decal
34161
3
Screw, Hex Hd. Self Tap
650741
4
Cord, Extension
32450A
5
Screw, Hex Washer Hd.
650759
6
Nut & Lockwasher
650742
Lists
Toro
Roth / TORO
Ride-On Mowers
Hand operated
Sweeper
Snowthrower
Attachements
Two stage
1332 PowerShift
1232 PowerShift
1132 PowerShift
1132
1028 PowerShift
924 PowerShift
828 PowerShift
824 PowerShift
824 XL
824
724
624 PowerShift
622
521
3521
621/38035
9000001
8000001
7000001
6000001
5000001
4000001
Recoil Starter No. 590473
Ignition No. 611030
Engine Tecumseh Model H35-45582N (Cont.)
Engine Tecumseh Model H35-45582N
Carburetor No. 632114
Grader Blade Assy. Model 59099 (Optional)
Drift Breaker Kit No. 37-7020 (Optional)
Starter Engine Kit Model 23-3790 (Optional)
Handle Assy.
Engine Assy.
Traction Assy.
Auger Assy. (Cont.)
Auger Assy.
Single stage
Vac/Blower
Lawnmower
Robin
Terms and Conditions
(C) by motoruf