back to
>
Roth / TORO
>
Hand operated
>
Snowthrower
>
Single stage
>
CCR 2000
>
618/38185 C
>
9000001
>
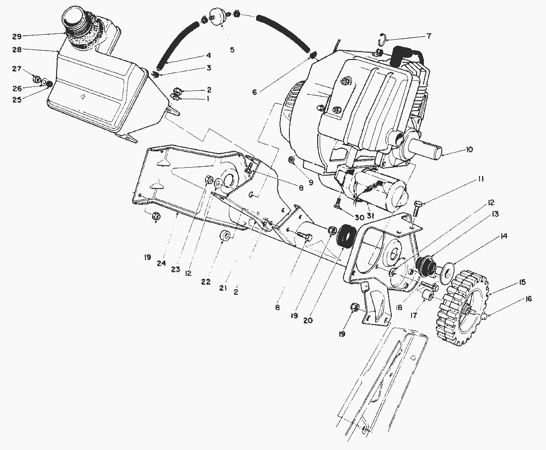
Engine & Main Frame Assy.
Spare Parts Lists for Toro Roth / TORO Engine & Main Frame Assy.
pos.
decription
spare part number
13-2459
pos.
decription
spare part number
1
Washer
3256-22
2
MUTTER
3296-42
3
Clamp
2412-86
4
Line-Fuel
49-2481
5
BENZINVORFILTER
56-6360
6
Clamp-Fuel Line
2412-80
7
Cable Tie
250-4
8
Capscrew
321-4
9
Spacer
55-9620
10
Engine Assembly
62-6721
11
Capscrew
322-3
12
Washer-Belleville
3290-456
13
Mount-Rebound
55-9460
14
Tube-Spacer
55-9470
15
Wheel
66-6510
16
Pushnut
32112-14
17
Spacer-Wheel
66-6501
18
SCHRAUBE
81-0570
19
MUTTER
3296-29
20
Mount-Load
55-9450
21
Support-Recoil
55-9070
22
Spacer-Wheel
66-6500
23
Nut-Hex
81-0300
24
Frame Assembly
63-3750
25
Rubber Grommet
237-89
26
Washer
3256-23
27
Nut-Lock
32152-8
29
Seal-Tank
55-9310
30
Screw, M8
56-6380
31
Lists
Toro
Roth / TORO
Ride-On Mowers
Hand operated
Sweeper
Snowthrower
Attachements
Two stage
Single stage
Snow Commander
CCR 3650 GTS
CCR 3000
CCR 2450
CCR 2400
CCR 2000
618/38186
618/38185 C
9000001
Recoil Starter Assy.
Muffler Assy.
Governor Assy.
Carburetor Assy.
Flywheel & Ignition Assy.
Short Block Assy.
Handle Assy.
Starter Engine & Switch Housing Assy.
Control Panel & ShroudING Assy.
Engine & Main Frame Assy.
Rotor Assy.
Discharge Chute Assy.
Housing Assy. (Cont.)
Housing Assy.
8000001
618/38181
618/38180 C
CR 1000
CR 20
CR 20 R
S 620
S 200
CCR Powerlite
Vac/Blower
Lawnmower
Robin
Terms and Conditions
(C) by motoruf