back to
>
Roth / TORO
>
Hand operated
>
Snowthrower
>
Single stage
>
CCR 2000
>
618/38185 C
>
9000001
>
Housing Assy.
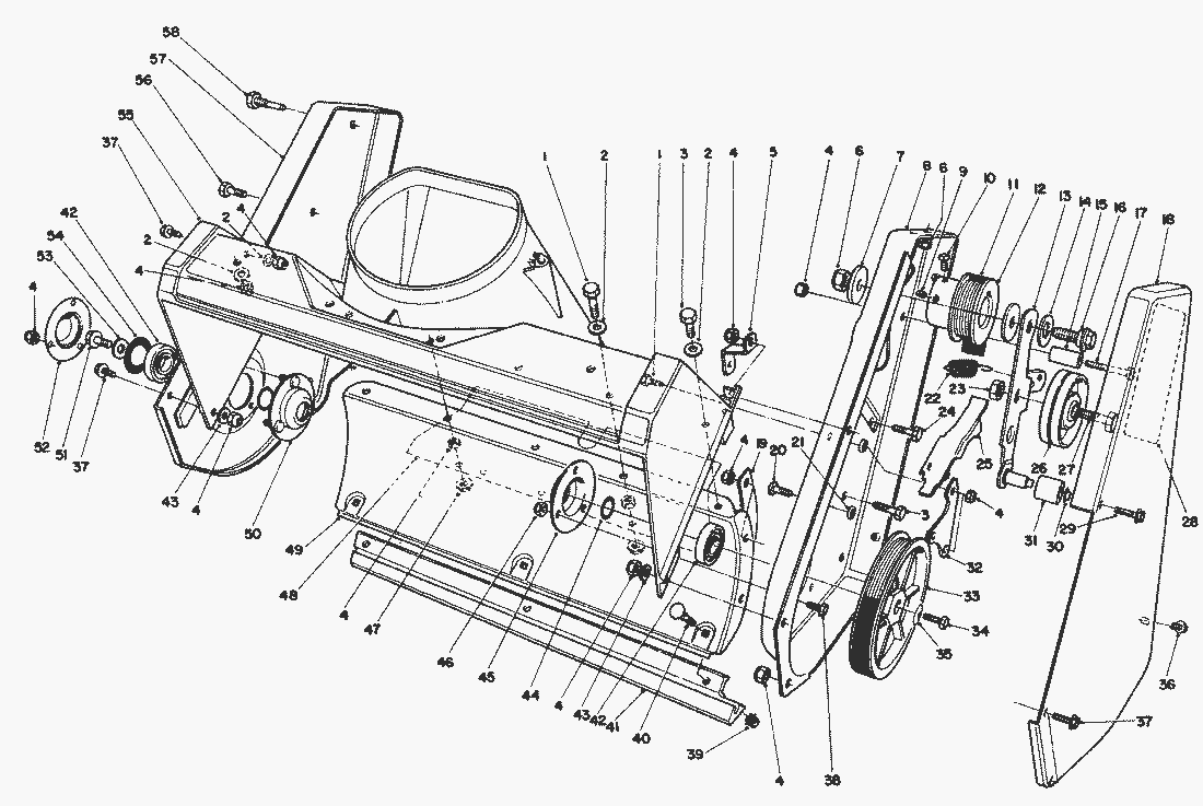
Spare Parts Lists for Toro Roth / TORO Housing Assy.
pos.
decription
spare part number
1
Screw-Hex Hd.
321-6
2
Washer
3256-22
3
Capscrew
321-4
4
MUTTER
3296-42
5
Bracket-Housing
55-9430
6
MUTTER
3296-29
7
Washer
5-4460
8
Sideplate-L.H.
55-8850
9
Screw-Set
3245-41
10
Screw-Set, Sq. Hd.
3241-7
11
Belt-Drive
55-9300
12
Pulley-Engine
55-9180
13
Idler Arm Assembly (Incl. Ref.
12-8279
14
Washer
25-5640
15
Guide-Drive Belt
55-9530
16
Shoulder Screw
27-0410
17
Screw-Hex. Hd.
321-13
18
Cover-Drive
55-9010
19
Bracket-Lower Housing
56-2610
20
Screw-Button Hd.
3274-31
21
Spacer
55-9620
22
Spring-Extension
55-9280
23
Locknut
32152-2
24
Capscrew
322-3
25
Arm-Brake
55-9550
26
Pulley-Idler
55-9290
27
Capscrew
323-29
Lists
Toro
Roth / TORO
Ride-On Mowers
Hand operated
Sweeper
Snowthrower
Attachements
Two stage
Single stage
Snow Commander
CCR 3650 GTS
CCR 3000
CCR 2450
CCR 2400
CCR 2000
618/38186
618/38185 C
9000001
Recoil Starter Assy.
Muffler Assy.
Governor Assy.
Carburetor Assy.
Flywheel & Ignition Assy.
Short Block Assy.
Handle Assy.
Starter Engine & Switch Housing Assy.
Control Panel & ShroudING Assy.
Engine & Main Frame Assy.
Rotor Assy.
Discharge Chute Assy.
Housing Assy. (Cont.)
Housing Assy.
8000001
618/38181
618/38180 C
CR 1000
CR 20
CR 20 R
S 620
S 200
CCR Powerlite
Vac/Blower
Lawnmower
Robin
Terms and Conditions
(C) by motoruf