back to
>
Roth / TORO
>
Hand operated
>
Snowthrower
>
Two stage
>
3521
>
621/38035
>
8000001
>
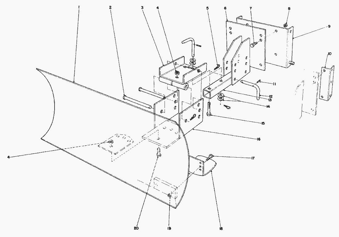
Grader Blade Assy. Model 59099 (Optional)
Spare Parts Lists for Toro Roth / TORO Grader Blade Assy. Model 59099 (Optional)
pos.
decription
spare part number
20-5210
pos.
decription
spare part number
1
Blade
74374
2
Pin
283-38
3
Swivel Bracket
20-5090
4
Locknut
32152-3
5
Hair Pin Cotter
3290-322
6
Mounting Plate
20-5170
7
Capscrew
323-6
8
Locknut
32152-2
9
Mounting Plate Bracket (used with 826 and 1032 only)
22-4920
10
Mounting Rail (Used with 421 Units only)
39-7850
11
Roll Pin
32121-45
13
Blade Tongue
20-5140
14
Flat Washer
3256-5
15
Capscrew
325-11
16
Blade Adjustment Plate
20-5130
17
Capscrew
322-6
18
Skid
7-1023
19
Locknut
32152-1
20
Capscrew
325-5
Screw
650152
Decal
31752
Body
31692
Element
30727
Screw, Fil. Hd.
28820
Bracket
31691
Gasket
27277
Lists
Toro
Roth / TORO
Ride-On Mowers
Hand operated
Sweeper
Snowthrower
Attachements
Two stage
1332 PowerShift
1232 PowerShift
1132 PowerShift
1132
1028 PowerShift
924 PowerShift
828 PowerShift
824 PowerShift
824 XL
824
724
624 PowerShift
622
521
3521
621/38035
9000001
8000001
Recoil Starter No. 590604
Carburetor No. 632378
Engine Tecumseh Model H35-45598S (Cont.)
Engine Tecumseh Model H35-45598S
Light Kit No. 54-9821 (Optional)
Starter Engine Kit No. 23-3790
Grader Blade Assy. Model 59099 (Optional)
Drift Breaker Kit No. 37-7020 (Optional)
Handle Assy.
Engine Assy.
Traction Assy.
Auger Assy.
Auger Assy. (Cont.)
7000001
6000001
5000001
4000001
Single stage
Vac/Blower
Lawnmower
Robin
Terms and Conditions
(C) by motoruf