back to
>
Roth / TORO
>
Hand operated
>
Snowthrower
>
Single stage
>
CR 1000
>
603/38195
>
0000001
>
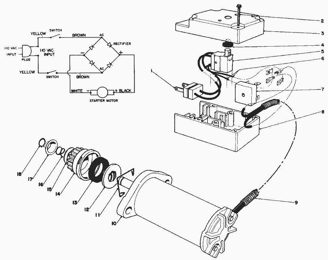
Starter Engine & Switch Assy. (Model No. 38195 only)
Spare Parts Lists for Toro Roth / TORO Starter Engine & Switch Assy. (Model No. 38195 only)
pos.
decription
spare part number
28-915
pos.
decription
spare part number
1
Plug
36-8370
2
Plastite Screw
61-4830
3
Cap-Switch Housing (Model No. 38185C only)
66-1760
4
Boot-Switch
61-4810
5
Starter Switch
61-4820
6
Wire-Switch to Rectifier
36-8360
7
Bridge Rectifier
37-7600
8
Base-Switch Housing (Model No. 38185C only)
66-1750
9
Cable Cover
33-5130
10
Starter Motor Assembly (Incl. Ref.
28-9140
11
Clip-Retaining
5-6530
12
13
Ring-Rubber
25-3400
14
15
Washer
33-5570
16
Spring
33-3230
17
Pinion Stop
33-3210
18
External Retaining Ring
32151-49
Piion Assembly (Incl. Ref.
36-5350
Cord-7 Ft.
28-9170
Lists
Toro
Roth / TORO
Ride-On Mowers
Hand operated
Sweeper
Snowthrower
Attachements
Two stage
Single stage
Snow Commander
CCR 3650 GTS
CCR 3000
CCR 2450
CCR 2400
CCR 2000
CR 1000
603/38196
603/38195
69000001
59000001
49000001
39000001
2000001
1000001
0000001
Recoil Starter No. 590537
Engine Tecumseh Model No. HSK600 TYPE 1660-N (Model No. 38195 only)
Engine Tecumseh Model No. HSK600 TYPE 1659-N (Model No. 38190 only)
Carburetor No. 632552
Handle Assy.
Starter Engine & Switch Assy. (Model No. 38195 only)
Engine Assy. (Model No. 38195 only)
Engine Assy. (Model No. 38190 only)
Rotor Assy.
Rotor Housing Assy.
Upper Shroud Assy. (Cont.)
Upper Shroud Assy.
603/38191
CR 20
CR 20 R
S 620
S 200
CCR Powerlite
Vac/Blower
Lawnmower
Robin
Terms and Conditions
(C) by motoruf