back to
>
Roth / TORO
>
Hand operated
>
Snowthrower
>
Two stage
>
1132 PowerShift
>
630/38580
>
2000001
>
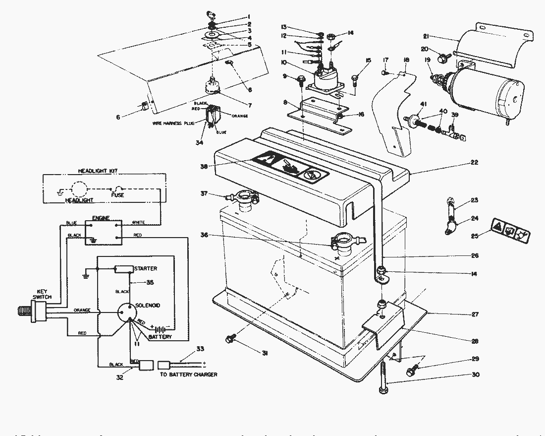
12 Volt Starter Engine Kit No. 66-7700 (Optional)
Spare Parts Lists for Toro Roth / TORO 12 Volt Starter Engine Kit No. 66-7700 (Optional)
pos.
decription
spare part number
1
Hex Nut
218-461
2
Lockwasher
3254-5
3
Washer
66-7690
4
Decal-Key Switch
66-7660
5
Adapter-Key Switch
66-7680
6
Clip-Wire
2412
7
Starter Switch
23-0660
8
Plate-Solenoid
66_7630
9
Screw Thread Forming
32144-10
10
Solenoid
6-1600
11
Terminal
218-575
12
Lockwasher
3254-1
13
Hex Nut
3219-14
14
MUTTER
3296-29
15
Capscrew
321-2
16
MUTTER
3296-42
17
Screw
934984
18
Shield-Pinion
280265
19
Starter Motor Ass y
37-9970
20
Screw-Sem
93535
21
Shield-Drip
222592
22
Cover-Battery
22-8900
23
Nipple-Pipe
289-36
24
Fitting-45ø Elbow
2811-3
25
Decal-Adjustment (Model No. 38505)
63-3470
26
Strap Battery Cover
22-8850
27
Plate-Battery Mounting
66-7600
28
Battery Hold Downs
22-8870
29
Screw-Hex. Flange Hd.
3234-17
30
Screw-Cap Hex. Hd.
322-11
31
Screw-Hex. Flange Hd.
3234-5
32
Wire Assembly
29-7830
33
Wire Assembly
29-7820
34
Harness-Wire
66-7650
35
Wire Assembly
22-9310
36
Battery Cable
22-9320
37
Cable-Battery Neg.
29-9330
38
Decal-Battery Cover
66-7640
39
Valve-Fuel Tank
399949
40
Clamp-Fuel Line
2210-307
41
Filter-Fuel
298090
Tie Wrap
3290-378
Charger 110V (U.S. &Canada)
26-3870
Charger 220V (Europe)
26-7140
Lists
Toro
Roth / TORO
Ride-On Mowers
Hand operated
Sweeper
Snowthrower
Attachements
Two stage
1332 PowerShift
1232 PowerShift
1132 PowerShift
630/38580
9000001
8000001
5900001
4900001
3900001
2000001
12 Volt Starter Engine Kit No. 66-7700 (Optional)
110V Electric Starter No. 37-4630 (Optional)
Engine B&S Model 252416 TYPE 0756-01 & 0757-01 (Cont.)
Engine B&S Model 252416 TYPE 0757-01 (Model 38566)
Engine B&S Model 252416 TYPE 0756-01 (Model 38580)
Engine B&S Model 252416 TYPE 0756-01 & 0757-01
Differential Kit Model No. 38038 (Optional)
Snow Cab Assy. No. 68-9500 (Optional)
Light Kit No. 66-7940 (Optional)
Drift Breaker Assy. (Optional)
Handle Assy.
Traction Linkage Assy.
Traction Drive Assy.
Transmission Assy. No. 66-8030 (Cont.)
Transmission Assy. No. 66-8030
Engine Assy.
32 Auger Gearcase Assy. No. 74-1562
Housing Assy. (Cont.)
Housing & Chute Assy.
1000001
0000001
630/38566
630/38565
1132
1028 PowerShift
924 PowerShift
828 PowerShift
824 PowerShift
824 XL
824
724
624 PowerShift
622
521
3521
Single stage
Vac/Blower
Lawnmower
Robin
Terms and Conditions
(C) by motoruf