back to
>
Roth / TORO
>
Hand operated
>
Snowthrower
>
Two stage
>
1132 PowerShift
>
630/38580
>
2000001
>
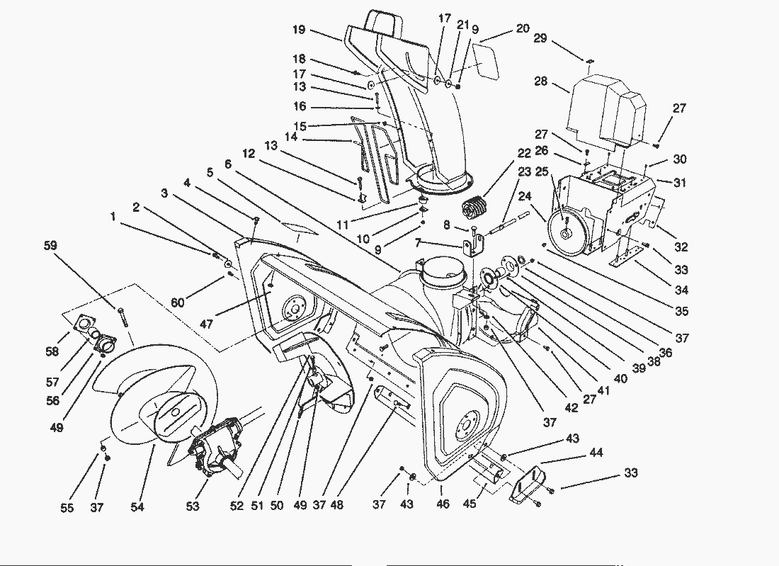
Housing & Chute Assy.
Spare Parts Lists for Toro Roth / TORO Housing & Chute Assy.
pos.
decription
spare part number
62-0722
pos.
decription
spare part number
1
Capscrew
323-6
2
Flat Washer
3-0750
3
Plate-Side R.H.
66-7821
4
Screw-Hex Flange Hd.
3234-28
5
Decal-Auger Warning
53-7670
7
Bracket-Gear
63-2180
8
Carriage Bolt
3230-2
9
Nut
3296-2
10
Plate-Chute Retainer
63-2670
11
Retainer-Chute
62-1430
12
Bracket-Chute Guard
63-3130
13
Screw-Machine
3274-13
14
Guard-Chute
63-3020
15
Pushnuts
3290-326
16
Washer
3256-14
17
Washer-Plastic
63-2900
18
Screw
32122-32
19
Chute Assembly
62-0840
20
Decal-Danger Chute (Model No. 38500)
63-3740
Decal-Danger Chute (Model 38566 Only)
53-7860
21
Washer
3256-61
22
Gear-Worm
62-0820
23
Rod-Chute Gear
62-1720
24
Pulley-Impeller
62-1300
25
Set Screw
3242-4
26
Retainer-Cable
63-2300
27
Screw Thread Forming
32144-4
28
Cover-Belt (Upper)
63-2080
29
Cover-Cable
63-3290
Lists
Toro
Roth / TORO
Ride-On Mowers
Hand operated
Sweeper
Snowthrower
Attachements
Two stage
1332 PowerShift
1232 PowerShift
1132 PowerShift
630/38580
9000001
8000001
5900001
4900001
3900001
2000001
12 Volt Starter Engine Kit No. 66-7700 (Optional)
110V Electric Starter No. 37-4630 (Optional)
Engine B&S Model 252416 TYPE 0756-01 & 0757-01 (Cont.)
Engine B&S Model 252416 TYPE 0757-01 (Model 38566)
Engine B&S Model 252416 TYPE 0756-01 (Model 38580)
Engine B&S Model 252416 TYPE 0756-01 & 0757-01
Differential Kit Model No. 38038 (Optional)
Snow Cab Assy. No. 68-9500 (Optional)
Light Kit No. 66-7940 (Optional)
Drift Breaker Assy. (Optional)
Handle Assy.
Traction Linkage Assy.
Traction Drive Assy.
Transmission Assy. No. 66-8030 (Cont.)
Transmission Assy. No. 66-8030
Engine Assy.
32 Auger Gearcase Assy. No. 74-1562
Housing Assy. (Cont.)
Housing & Chute Assy.
1000001
0000001
630/38566
630/38565
1132
1028 PowerShift
924 PowerShift
828 PowerShift
824 PowerShift
824 XL
824
724
624 PowerShift
622
521
3521
Single stage
Vac/Blower
Lawnmower
Robin
Terms and Conditions
(C) by motoruf