back to
>
Roth / TORO
>
Hand operated
>
Snowthrower
>
Two stage
>
724
>
637/38073
>
3900001
>
Auger Assy.
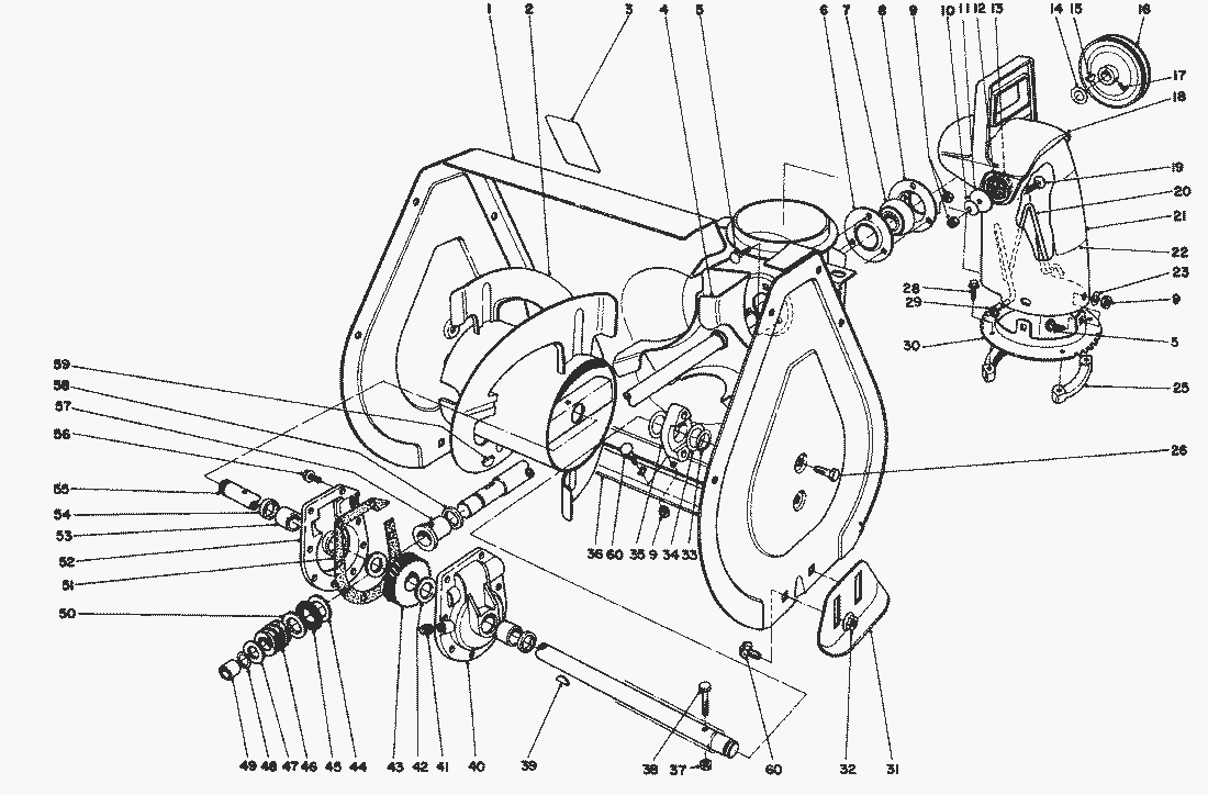
Spare Parts Lists for Toro Roth / TORO Auger Assy.
pos.
decription
spare part number
14-8119
pos.
decription
spare part number
2
Auger-R.H.
74-1600
Auger-L.H.
74-1590
3
Decal-Auger Warning
53-7670
4
Shaft & Impeller
37-6990
5
Carriage Bolt
3230-18
6
7
Bearing-Impeller
63-3450
8
9
MUTTER
3296-29
10
Washer Belleville
3290-340
11
Washer
3256-68
12
Plate-Friction
55-8950
13
Washer Rubber
20-4320
14
Thrust Washer
3-0737
15
Key
3257-5
16
Pulley
37-6890
17
Set Screw
3242-4
18
Deflector
56-2680
19
Bolt-Carriage
3230-22
20
Wire-Chute
56-2670
21
13-7979
12-8749
22
Decal-Danger Chute (Model No. 38500)
63-3740
Decal-Discharge
63-3760
23
Washer
3256-23
25
Retainer-Chute Ring
37-6490
26
Self Tapping Screw
32144-70
28
Screw Special
27-0220
Lists
Toro
Roth / TORO
Ride-On Mowers
Hand operated
Sweeper
Snowthrower
Attachements
Two stage
1332 PowerShift
1232 PowerShift
1132 PowerShift
1132
1028 PowerShift
924 PowerShift
828 PowerShift
824 PowerShift
824 XL
824
724
637/38073
9900001
8900001
7900001
6900001
5900001
4900001
3900001
Carburetor No. 632371A
Electric Starter Engine Kit No. 38-7590
Recoil Starter No. 590646
Engine Tecumseh Model HSK70-130282R (Cont.)
Engine Tecumseh Model HSK70-130282R
Handle Assy. (Cont.)
Handle Assy.
Engine Assy.
Traction Assy. (Cont.)
Traction Assy.
Auger Assy. (Cont.)
Auger Assy.
624 PowerShift
622
521
3521
Single stage
Vac/Blower
Lawnmower
Robin
Terms and Conditions
(C) by motoruf