back to
>
Roth / TORO
>
Hand operated
>
Snowthrower
>
Two stage
>
724
>
637/38073
>
3900001
>
Traction Assy.
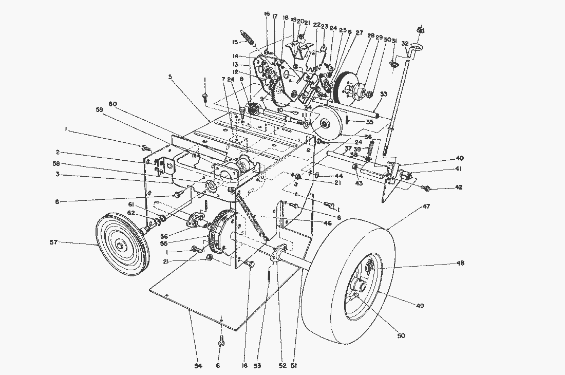
Spare Parts Lists for Toro Roth / TORO Traction Assy.
pos.
decription
spare part number
37-9160
pos.
decription
spare part number
1
Self Tapping Screw
32144-70
2
Mount-Clutch Rod Front
66-6790
3
Frame-Friction Plate
88-0550
5
Traction Frame
37-8900
6
Screw Thread Forming
32144-4
7
Mount-Clutch Rod Rear
37-9070
8
Sliding Gear
37-6500
9
Hex Shaft
37-6780
10
Key
3257-24
11
Washer-Friction Wheel Shaft
5-7570
12
Bushing
256-86
13
Bearing-Friction Wheel
20-1620
14
Bracket-Sliding
39-1230
15
Spring-Traction Disengage
37-8880
16
Hex Hd. Capscrew
322-2
18
Thrust Washer
10-9280
19
Locknut
3296-16
20
Mount-Quadrant Gear
37-8790
21
MUTTER
3296-29
22
Cam Receiver
39-1250
23
Quadrant-Gear
37-8801
24
Shoulder Bolt
37-8770
25
MUTTER
3296-29
27
Thrust Washer
36-4790
28
Friction Wheel
37-6570
29
Hub-Friction Wheel Mount
39-1520
30
Locknut
3296-48
31
Flange Locknut
32128-33
32
Lower Traction Rod
39-3060
33
Shaft-Pivot
37-6760
34
Capscrew
321-4
35
Roll Pin
32121-45
36
Friction Plate
38-0800
37
Traction Engagement Assy.
88-0750
38
Flange Locknut
32128-32
39
Spring-Compression
38-4520
40
Bracket-Traction
38-4490
41
Spacer
40-9680
42
Shoulder Screw
40-8350
43
MUTTER
3296-42
44
Retaining Ring
32151-61
46
Spring-Friction Plate Frame
37-8870
47
Tire
231-120
48
Klip Pin
3290-243
Lists
Toro
Roth / TORO
Ride-On Mowers
Hand operated
Sweeper
Snowthrower
Attachements
Two stage
1332 PowerShift
1232 PowerShift
1132 PowerShift
1132
1028 PowerShift
924 PowerShift
828 PowerShift
824 PowerShift
824 XL
824
724
637/38073
9900001
8900001
7900001
6900001
5900001
4900001
3900001
Carburetor No. 632371A
Electric Starter Engine Kit No. 38-7590
Recoil Starter No. 590646
Engine Tecumseh Model HSK70-130282R (Cont.)
Engine Tecumseh Model HSK70-130282R
Handle Assy. (Cont.)
Handle Assy.
Engine Assy.
Traction Assy. (Cont.)
Traction Assy.
Auger Assy. (Cont.)
Auger Assy.
624 PowerShift
622
521
3521
Single stage
Vac/Blower
Lawnmower
Robin
Terms and Conditions
(C) by motoruf