back to
>
Roth / TORO
>
Hand operated
>
Snowthrower
>
Single stage
>
CCR 2000
>
618/38185 C
>
8000001
>
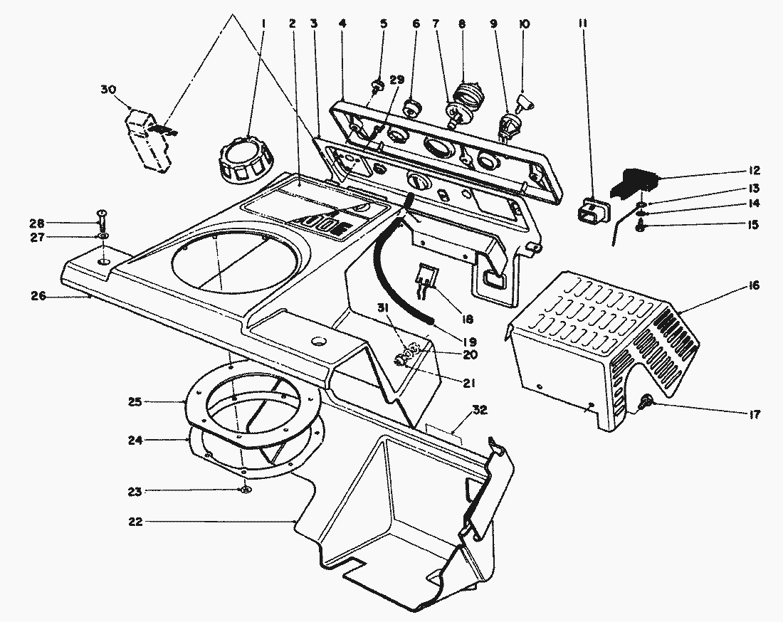
Control Panel & ShroudING Assy.
Spare Parts Lists for Toro Roth / TORO Control Panel & ShroudING Assy.
pos.
decription
spare part number
12-4659
12-5949
pos.
decription
spare part number
1
Gas Cap Assembly
55-3573
2
Decal-CCR-2000 Electric Start
61-4420
4
Name Plate Control (Model No. 38185)
61-4410
4
Name Plate Control (Model No. 38185C)
61-4470
5
SCHRAUBE
12-5450
6
Guide-Starter Rope
55-9410
7
Body-Primer
44-2750
8
Bulb-Primer
44-3100
9
Switch
40-5940
10
Key-Switch
62-7770
11
Fitting-Choke Control
55-8820
12
Control-Choke (Model No. 38180)
55-8810
12
Control-Choke (Model No. 38180C)
55-8811
13
Base-Switch Housing
61-4850
14
Washer
38-5710
15
Screw-Hex Hd.
32104-130
16
Shield-Heat
55-9210
17
Screw-Hex. Hd.
32105-8
18
Connector Body
218-532
19
Hose-Primer
443171
20
Washer-Rubber
55-9660
21
Nut-Flange Lock
32153-1
22
Shroud-Lower
55-8791
23
Pushnut
3290-474
24
Retainer-Chute Seal
55-9540
25
Seal-Chute
55-9260
27
Washer
3256-22
28
Screw-Phillips
3250-32
29
Screw
3214427
30
31
Washer
3256-14
32
Decal-Warning (Model No. 38185C)
61-4790
Lists
Toro
Roth / TORO
Ride-On Mowers
Hand operated
Sweeper
Snowthrower
Attachements
Two stage
Single stage
Snow Commander
CCR 3650 GTS
CCR 3000
CCR 2450
CCR 2400
CCR 2000
618/38186
618/38185 C
9000001
8000001
Recoil Starter Assy.
Governor Assy.
Muffler Assy.
Carburetor Assy.
Flywheel & Ignition Assy.
Short Block Assy.
Handle Assy.
Starter Engine & Switch Housing Assy.
Control Panel & ShroudING Assy.
Engine & Main Frame Assy.
Rotor Assy.
Discharge Chute Assy.
Housing Assy. (Cont.)
Housing Assy.
618/38181
618/38180 C
CR 1000
CR 20
CR 20 R
S 620
S 200
CCR Powerlite
Vac/Blower
Lawnmower
Robin
Terms and Conditions
(C) by motoruf