back to
>
Roth / TORO
>
Hand operated
>
Snowthrower
>
Single stage
>
CCR 2000
>
618/38185 C
>
8000001
>
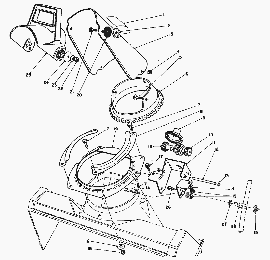
Discharge Chute Assy.
Spare Parts Lists for Toro Roth / TORO Discharge Chute Assy.
pos.
decription
spare part number
12-4749
pos.
decription
spare part number
1
Decal-Discharge Danger
55-9650
2
Plate-Friction
55-8950
4
Locknut
32149-1
5
Carriage Bolt
3230-18
6
Gear Ring-Chute
55-8720
7
Capscrew
321-4
8
Retainer-Chute Ring
55-8910
9
Gear-Face
55-8740
10
Gear-Worm/Spur
55-8730
11
Bracket-Chute Gears
61-4610
12
Shaft-Gear
55-9150
13
SICHERUNGSKAPPE
32112-11
14
Washer
3256-22
15
MUTTER
3296-42
16
Washer
55-9680
17
Screw-Special
46-8092
18
Spacer/Spur Gear
55-8750
19
Ring-Chute Support
55-8920
20
Washer Rubber
20-4320
21
Bolt-Carriage
3230-22
22
MUTTER
3296-29
23
Washer Belleville
3290-340
24
Washer
3256-68
25
Deflector
56-2680
26
Screw-Carriage
3229-11
27
Washer
3256-23
28
Cable Clamp
61-4630
Lists
Toro
Roth / TORO
Ride-On Mowers
Hand operated
Sweeper
Snowthrower
Attachements
Two stage
Single stage
Snow Commander
CCR 3650 GTS
CCR 3000
CCR 2450
CCR 2400
CCR 2000
618/38186
618/38185 C
9000001
8000001
Recoil Starter Assy.
Governor Assy.
Muffler Assy.
Carburetor Assy.
Flywheel & Ignition Assy.
Short Block Assy.
Handle Assy.
Starter Engine & Switch Housing Assy.
Control Panel & ShroudING Assy.
Engine & Main Frame Assy.
Rotor Assy.
Discharge Chute Assy.
Housing Assy. (Cont.)
Housing Assy.
618/38181
618/38180 C
CR 1000
CR 20
CR 20 R
S 620
S 200
CCR Powerlite
Vac/Blower
Lawnmower
Robin
Terms and Conditions
(C) by motoruf