back to
>
Roth / TORO
>
Hand operated
>
Snowthrower
>
Single stage
>
CCR 2000
>
618/38185 C
>
8000001
>
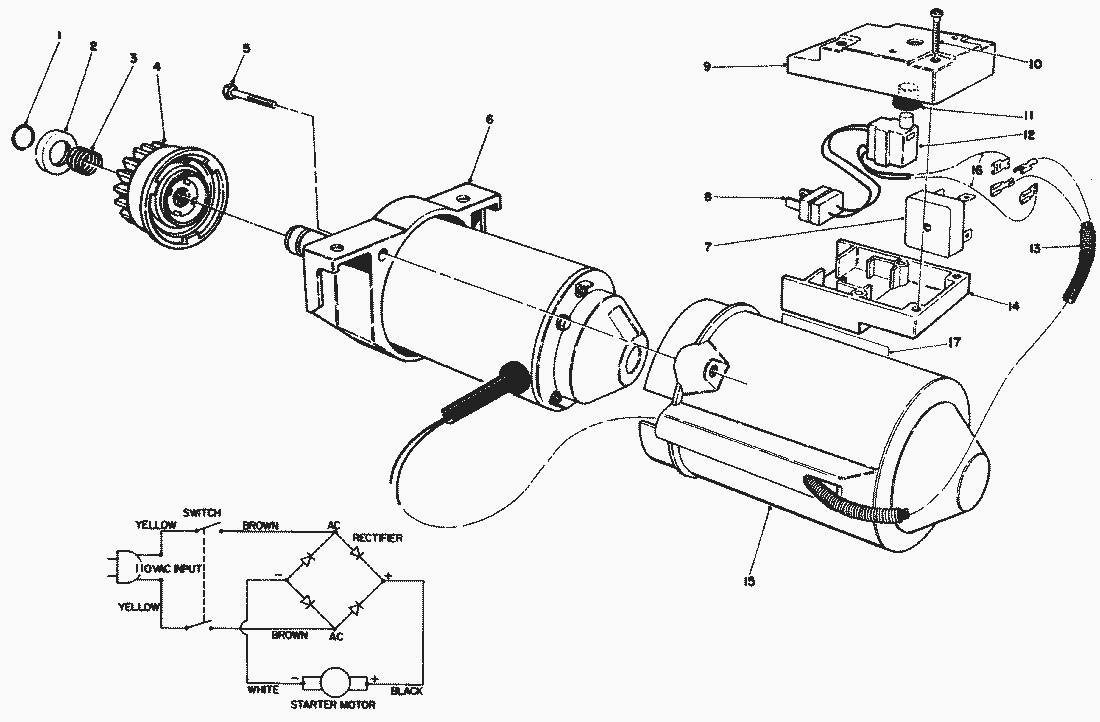
Starter Engine & Switch Housing Assy.
Spare Parts Lists for Toro Roth / TORO Starter Engine & Switch Housing Assy.
pos.
decription
spare part number
61-4601
61-4600
pos.
decription
spare part number
1
Retaining Ring
61-4680
2
Pinion Stop
61-4670
3
Spring
61-4690
4
Pinion Assembly
61-4700
5
Screw-Plastite
61-4640
7
Bridge Rectifier
37-7600
8
Plug
36-8370
9
Cap-Switch Housing
61-4840
9
Cap-Switch Housing (Model No. 38185C only)
66-1760
10
Plastite Screw
61-4830
11
Boot-Switch
61-4810
12
Starter Switch
61-4820
13
Cable Cover
61-4860
14
Base-Switch Housing
61-4850
14
Base-Switch Housing (Model No. 38185C only)
66-1750
15
Cover-Starter Motor
61-4620
16
Wire-Switch to Rectifier
36-8360
17
Decal-UL (Model No. 38185)
61-4440
17
Decal-CSA (Model No. 38185C)
61-4460
Cord-7 Ft.
28-9170
Lists
Toro
Roth / TORO
Ride-On Mowers
Hand operated
Sweeper
Snowthrower
Attachements
Two stage
Single stage
Snow Commander
CCR 3650 GTS
CCR 3000
CCR 2450
CCR 2400
CCR 2000
618/38186
618/38185 C
9000001
8000001
Recoil Starter Assy.
Governor Assy.
Muffler Assy.
Carburetor Assy.
Flywheel & Ignition Assy.
Short Block Assy.
Handle Assy.
Starter Engine & Switch Housing Assy.
Control Panel & ShroudING Assy.
Engine & Main Frame Assy.
Rotor Assy.
Discharge Chute Assy.
Housing Assy. (Cont.)
Housing Assy.
618/38181
618/38180 C
CR 1000
CR 20
CR 20 R
S 620
S 200
CCR Powerlite
Vac/Blower
Lawnmower
Robin
Terms and Conditions
(C) by motoruf