back to
>
Roth / TORO
>
Hand operated
>
Snowthrower
>
Two stage
>
724
>
637/38073
>
9900001
>
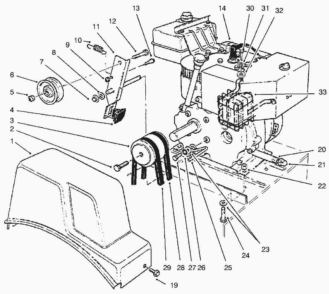
Engine Assy. (Cont.)
Spare Parts Lists for Toro Roth / TORO Engine Assy. (Cont.)
pos.
decription
spare part number
27
Capscrew
3210-3
28
V-Belt-Traction
37-9090
29
V-Belt-Auger
26-9672
30
Screw-Self Tapping
42-671
31
Washer-Lock
3253-17
32
Washer
3256-49
33
Guard-Muffler
127-19
Lists
Toro
Roth / TORO
Ride-On Mowers
Hand operated
Sweeper
Snowthrower
Attachements
Two stage
1332 PowerShift
1232 PowerShift
1132 PowerShift
1132
1028 PowerShift
924 PowerShift
828 PowerShift
824 PowerShift
824 XL
824
724
637/38073
9900001
Recoil Starter No. 590742
Electric Starter Kit No. 38-7590 (Optional)
Carburetor No. 640082
Engine Tecumseh Model HSK70-130302U
Handle Assy. Left Side
Handle Assy. Right Side
Traction Assy. (Cont.)
Traction Assy.
Auger Assy. (Cont.)
Auger Assy.
Engine Assy. (Cont.)
Engine Assy.
8900001
7900001
6900001
5900001
4900001
3900001
624 PowerShift
622
521
3521
Single stage
Vac/Blower
Lawnmower
Robin
Terms and Conditions
(C) by motoruf