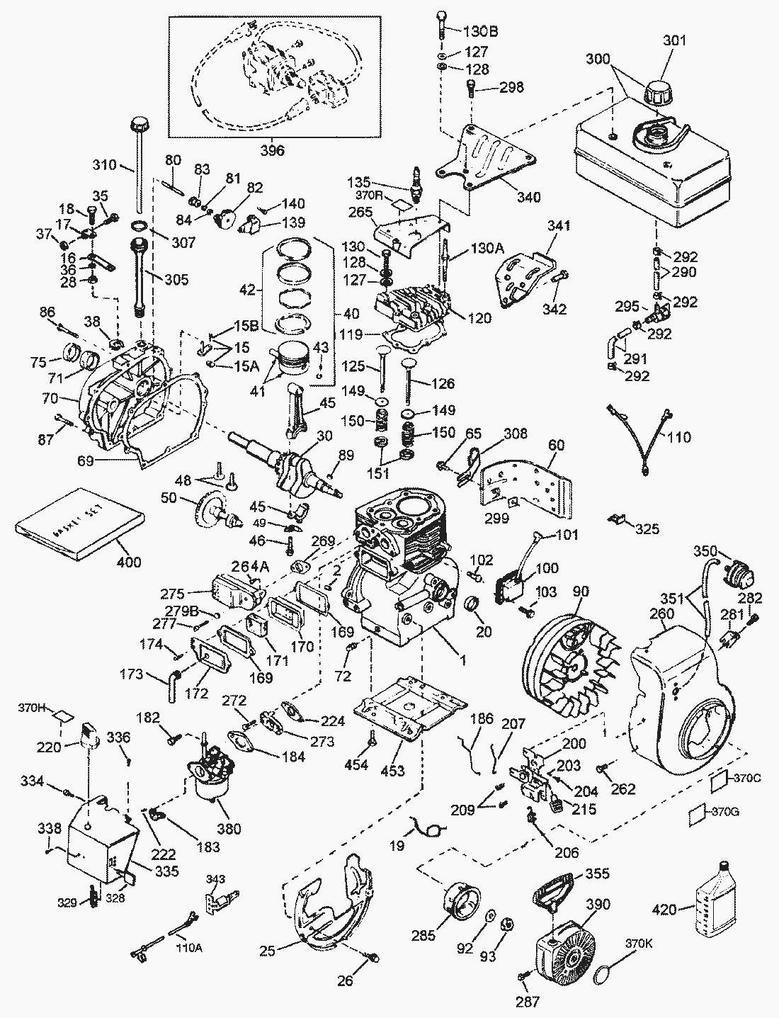
| pos. | decription | spare part number | |
| 2 | Pin, Dowel | 27652 |
| 15 | Yoke, Governor | 30700 |
| 15 | Screw, Fil. Hd. | 650494 |
| 16 | Lever, Governor | 33454 |
| 17 | Clamp, Governor Lever | 29916 |
| 18 | Screw | 651028 |
| 19 | Spring, Speed Control | 34663 |
| 20 | Seal, Oil | 32630 |
| 25 | Blower Housing Baffle | 36460 |
| 26 | Screw, Hex Washer Hd. | 650561 |
| 28 | Locknut, Hex | 30322 |
| 30 | Crankshaft Assembly | 35272 |
| 35 | Screw, Hex Washer Hd. | 29826 |
| 36 | Lockwasher, E.T. | 29918 |
| 37 | Locknut, Hex | 29216 |
| 38 | Ring, Retaining | 29642 |
| 40 | Piston-Pin & Ring Assy. Standard (Incl. ref. | 34517 |
| 40 | Piston-Pin & Ring Assy. (.010 oversize) (Incl. ref. | 34518 |
| 40 | | 34519 |
| 42 | Ring Set (Std.) | 34595 |
| 42 | Ring Set (.010 OS) | 34597 |
| 43 | Ring, Piston Pin Retaining | 27888 |
| 46 | Screw-Connecting Rod | 650662C |
| 48 | Lifter, Valve | 34034 |
| 49 | Dipper, Oil | 34242 |
| 50 | Camshaft | 32115 |
| 60 | Extension-Blower Housing | 30622A |
| 65 | Screw, Fil. Hd. | 650128 |
| 69 | Gasket-Cylinder Cover | 30684 |
| 71 | Bushing-Crankshaft | 31546 |
| 72 | Plug, Sq. Hd. Pipe, 1/4-18 (Oil Drain) | 27642 |
| 75 | Seal-Oil | 28427 |
| 80 | Shaft, Mechanical Governor | 31845 |
| 81 | Washer, Flat | 30590A |
| 82 | | 30591 |
| 83 | Spool, Governor | 30588A |
| 84 | Ring, Retaining | 29193 |
| 86 | Screw, Hex Hd. | 650488 |
| 87 | Screw, Hex Hd. | 650493 |
| 89 | Key, Flywheel | 32589 |
| 90 | Flywheel | 611085 |
| 92 | Washer, Belleville | 650815 |
| 93 | Nut, Hex | 8116 |
| 100 | Solid State Ignition | 34443B |
| 101 | Cover, Spark Plug | 610118 |
| 102 | Solid State Mounting Stud | 651024 |
| 103 | Screw, Sternantrieb T-15 | 651007 |
| 110 | Wire, Ground | 35253 |
| 110 | Ground Wire | 37047 |
| 119 | Cylinder Head Gasket | 36453 |
| 120 | Cylinder Head (Incl. 3 of 131) | 36446 |
| 126 | Valve-Intake (.03 OS.)(Incl. Ref. #9) * Not Illustrated tIncluded In Gasket Set Ref. #33235. | 32784 |
| 126 | Valve-Intake (Std.)(Incl. Ref. | 32783 |
| 127 | Washer, Flat | 650691 |
| 128 | Washer-Belleville | 650690 |
| 130 | &rew-Hex. Flange Hd. | 650697A |
| 135 | Spark Plug, Resistor (Champion RJ-19LM) | 35395 |
| 139 | Bracket-Governor Gear | 31843A |
| 140 | Screw, Sternantrieb T-25 | 650965 |
| 149 | Cap, Upper Valve Spring (Exhaust) | 27882 |
| 150 | Spring, Valve | 27881 |
| 151 | Cap, Lower Valve Spring | 32581 |
| 169 | Gasket-Breather | 27896A |
| 170 | Body, Breather | 28423 |
| 171 | Element, Breather | 28424 |
| 172 | Cover, Valve Spring | 28425 |
| 173 | Tube-Breather | 35350 |
| 174 | Screw, Fil. Hd. | 650128 |
| 182 | Screw-Hex. Hd. | 650517 |
| 183 | Bracket, Choke | 32398 |
| 184 | Gasket-Carburetor | 31688A |
| 186 | Link-Governor | 34661 |
| 200 | Remote Speed Control Assy. (Incl. Ref. | 34677 |
| 203 | Spring, Compression | 31342 |
| 204 | Screw | 651029 |
| 206 | Terminal Assy. | 610973 |
| 207 | Link-Throttle | 34662 |
| 209 | Screw, Hex Washer Hd. Thread Cutting | 650821 |
| 215 | Knob-Control | 35440 |
| 220 | Knob-Control | 35439 |
| 222 | Screw, Fil. Hd. | 28820 |
| 224 | Gasket-Intake Pipe | 27915A |
| 260 | Blower Housing | 36254 |
| 262 | Screw, Phil. Hex Hd. | 29747B |
| 264 | Screw-Fil. Hd. | 30196 |
| 265 | Cover-Cylinder Head | 30939A |
| 269 | Exhaust Maniford Gasket | 35865 |
| 272 | Screw-Fil. Hd. | 30196 |
| 273 | | 34712 |
| 275 | Muffler | 32401 |
| 277 | Screw, Hex Flange Hd. | 650694A |
| 279 | Washer-Flat | 26073 |
| 281 | Cover, Starter Bubble | 33013 |
| 282 | Screw, Pan Hd. Taptite | 650760 |
| 285 | Starter Cup | 35287A |
| 287 | Screw-Hex Washer Hd. | 650926 |
| 290 | Line, Fuel | 29774 |
| 291 | Line-Fuel | 30962 |
| 292 | Clamp, Fuel Line | 26460 |
| 295 | Valve-Shut-Off | 35857 |
| 298 | Screw, Hex Washer Hd., Self-tap | 650665 |
| 299 | Nut-U Type | 650764 |
| 301 | Cap-Fuel Tank | 36246 |
| 305 | Tube Assy.-Oil Fill | 35554 |
| 307 | O Ring | 35499 |
| 308 | Clip, Fill Tube | 35540 |
| 310 | Dipstick-Oil | 36205 |
| 325 | Clip, Spring | 29443 |
| 329 | Terminal Assy. | 610973 |
| 334 | Screw, Pan Hd. | 650257 |
| 335 | Cover-Carburetor | 35060 |
| 336 | Screw, Hex Washer Hd., Self drilling | 650765 |
| 338 | Screw, Pan Hd. Taptite | 650760 |
| 340 | Bracket-Fuel Tank | 34159 |
| 341 | Bracket-Fuel Tank | 34158 |
| 342 | Screw, Hex Washer Hd. | 650561 |
| 343 | Key Switch Bracket | 35079 |
| 350 | PrimerAsm. | 570682A |
| 351 | Line-Primer | 32180C |
| 355 | Handle-Mitten Grip Starter | 590574 |
| 370 | Primer Decal | 36501 |
| 370 | Instruction Decal | 35063 |
| 370 | Choke Decal | 34418 |
| 370 | Starter Decal | 36695 |
| 370 | Warning Decal | 37119 |
| 380 | Carburetor (Incl. Ref. | 640082 |
| 390 | Rewind Starter | 590742 |
| 396 | Electric Starter Motor (Optional) | 33328D |
| 400 | Gasket Set | 364454 |
| 420 | Sae 30 4-Cycle Engine Oil (Quart) | 730225 |
| 453 | Base-Engine Mount | 29538 |
| 454 | Screw-Hex. Hd. | 650542 |