back to
>
Roth / TORO
>
Hand operated
>
Snowthrower
>
Two stage
>
1132
>
610/38160
>
0000001
>
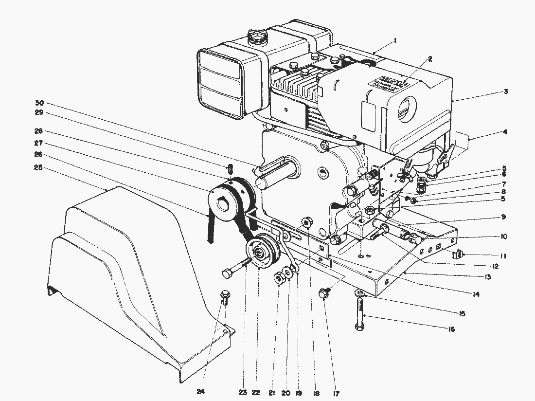
Engine Assy. (Model 38150)
Spare Parts Lists for Toro Roth / TORO Engine Assy. (Model 38150)
pos.
decription
spare part number
1
Decal Hazards Caution
29-6380
2
Decal Hot Surface Warning
29-6390
3
Engine
221-600
4
Choke Decal
29-6400
5
MUTTER
3296-29
6
Int.Tooth Lockwasher
3254-2
7
Internal Tooth Lockwasher
3254-10
8
Locknut
3296-1
9
Pipe Nipple
289-20
10
Pipe Cap
288-4
11
Retained Nut
3290-398
12
Carriage Bolt
3231-27
13
Engine Base
22-9030
14
Bracket Belt Idler
22-7960
15
Washer
3256-23
16
Capscrew
322-9
17
Hex Thread Forming Screw
32144-15
18
Locknut
3290-357
19
Belt Guide
8-8830
20
Washer-Flat
3256-25
21
Hex Locknut
32146-2
22
Pulley Idler
244-63
23
Capscrew
323-8
24
Screw Thread Forming
32144-10
25
Belt Guard
17-6550
26
V-Belt Auger
26-9670
27
Engine Pulley
21-4100
28
V-Belt Traction
17-6540
29
Set Screw
3246-14
30
Key
5-0930
Decal Replacement Serial Plate
25-9150
Lists
Toro
Roth / TORO
Ride-On Mowers
Hand operated
Sweeper
Snowthrower
Attachements
Two stage
1332 PowerShift
1232 PowerShift
1132 PowerShift
1132
610/38160
9000001
7000001
6000001
5000001
4000001
3000001
2000001
1000001
0000001
Grader Blade Assy. Model 59099
Chute Extension Kit 26-1100
Snow Cab Assy. (Model No. 12-8100)
12 Volt Start Engine Kit 37-4640
Starter Engine Kit Model No. 37-4630 (8 H.P. & 11 H.P. Snowthrower
Engine Model No. 252416 TYPE No. 0190-01 (Cont.) (11 H.P. SN B&S
Engine Model No. 252416 TYPE No. 0191-01 (11 H.P. Snowthrower MOB&S
Engine Model No. 252416 TYPE No. 0190-01 (11 H.P. Snowthrower MOB&S
Engine Model No. 252416 TYPE No. 0190-01(11 H.P. Snowthrower MODB&S
Engine Model No. 190402 TYPE 0989-01 (Cont.)(8 H.P. Snowthrower B&S
Engine Model No. 190402 TYPE 0989-01 (8 H.P. Snowthrower Model 3B&S
Engine Model No. 190502 TYPE 0989-01 (8 H.P. Snowthrower Model 3B&S
Handle Assy.
Handle Assy. (Cont.)
Engine Assy. (Model 38160)
Engine Assy. (Model 38150)
Wheel Assy.
Traction Assy.(Cont.)
Auger Assy. (Cont.)
Traction Assy.
Auger Assy.
1028 PowerShift
924 PowerShift
828 PowerShift
824 PowerShift
824 XL
824
724
624 PowerShift
622
521
3521
Single stage
Vac/Blower
Lawnmower
Robin
Terms and Conditions
(C) by motoruf