back to
>
Roth / TORO
>
Ride-On Mowers
>
Traktor
>
16-44 HXL
>
393/71218
>
6900001
>
Transaxle Assy.
Spare Parts Lists for Toro Roth / TORO Transaxle Assy.
pos.
decription
spare part number
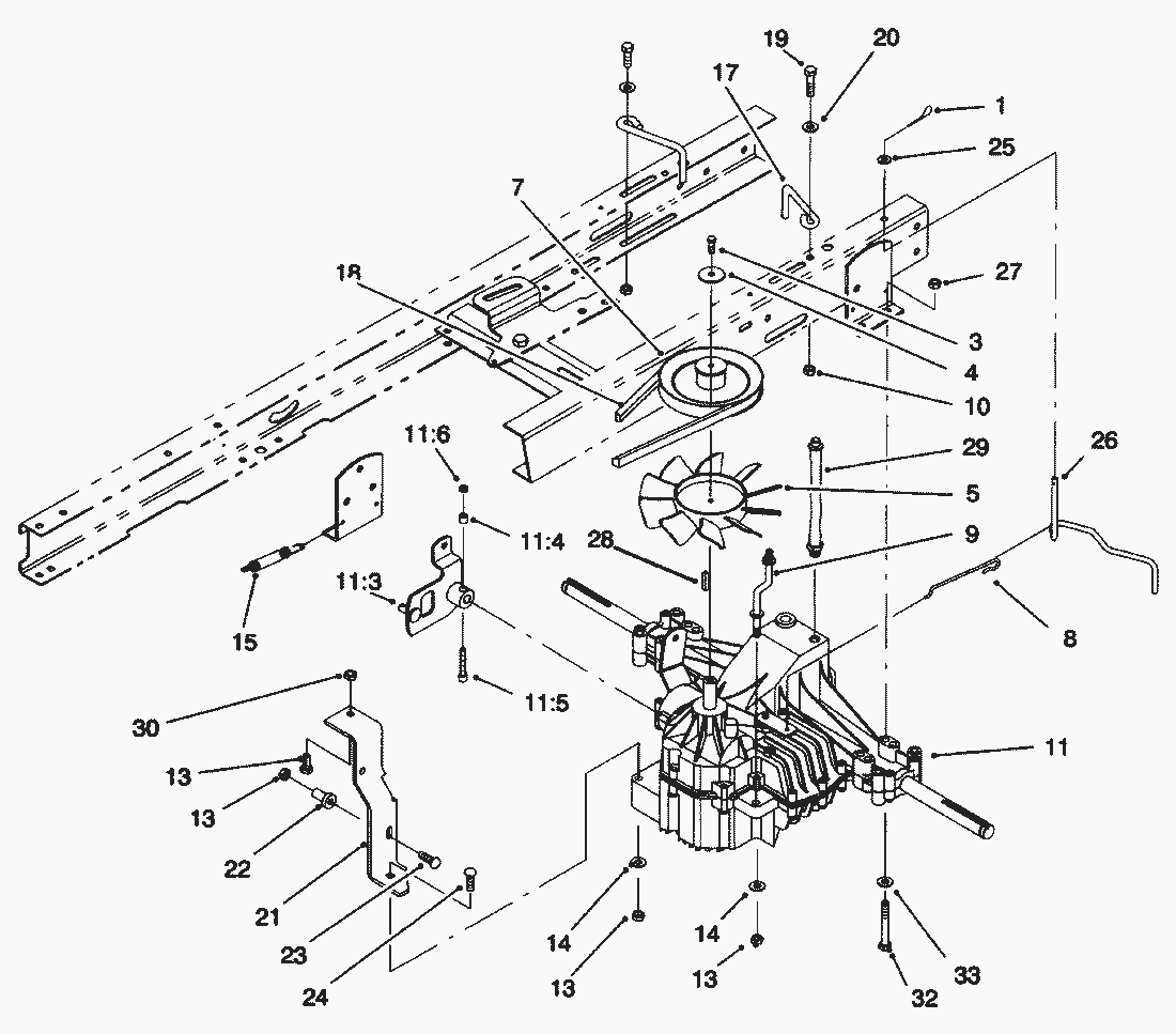
1
Hair Pin Cotter
3290-307
3
Screw-Hex Hd. Cap
48-7620
4
Washer-Fender
3256-58
5
Fan-Hydro
93-3867
7
Pulley-Transmission
93-3862
8
Wire-Bypass
92-8856
9
Strap-Torque
93-3872
10
MUTTER
3296-29
11
Transaxle Asm-Hydro
94-6946
113
Lever Asm-Speed Control
93-3870
114
Spacer-Lock
86-4270
115
Screw-Hex Hd. Cap
3274-59
116
Locknut
3296-12
13
MUTTER
3296-29
14
Washer
3256-23
15
Spring-Brake Return
26-6701
16
Capscrew
322-3
17
Guide-Trans. Belt
93-3868
18
V-Belt-Hydro
93-3883
19
Hex Hd. Capscrew
322-5
20
Washer
5-4460
21
Bracket-Speed Control
93-3863
22
Bushing-Flanged
65-5080
23
Bolt-Carriage
3230-5
24
Bolt-Carriage
3230-7
25
Washer
3256-22
26
Lever-Bypass
92-8857
27
MUTTER
3296-29
28
Key-Square
80-6090
29
Hose-Breather
94-1945
32
Screw-Cap Hex. Hd.
322-12
33
Washer
3256-23
Lists
Toro
Roth / TORO
Ride-On Mowers
Traktor
264-6
246 HE
244-5
212-H
212-5
17-44 HXLE
16-44 HXL
393/71218
8900001
7900001
6900001
Engine B&S Model 28Q777-0668-A
Engine B&S Model 28Q777-0668-A1
Battery Assy.
Electrical Assy.
HOC Assy.
Speed Control Assy.
Hydro Transaxle Assy. (Cont.)
Hydro Transaxle Assy.
Transaxle Assy.
Clutch Assy.
Rear Axle Assy.
Engine Assy.
Steering Assy.
Front Axle Assy.
Seat Assy.
Hood Assy.
Frame Assy.
16-38 HXL
16-38 XLE
15-44 HXL
15-38 HXL
14-38 HXL
14-38 XL
13-38 HXL
13-38 XL
13-32 XLE
12-38 HXL
12-38 XL
12-32 XL
264 H
265 H
267 H
268 H
270 H
520 xi
520 Lxi
523 Dxi
Rider
Mower decks
Attachements
Hand operated
Robin
Terms and Conditions
(C) by motoruf