back to
>
Roth / TORO
>
Hand operated
>
Snowthrower
>
Two stage
>
824
>
612/38080
>
2000001
>
Auger Assy.
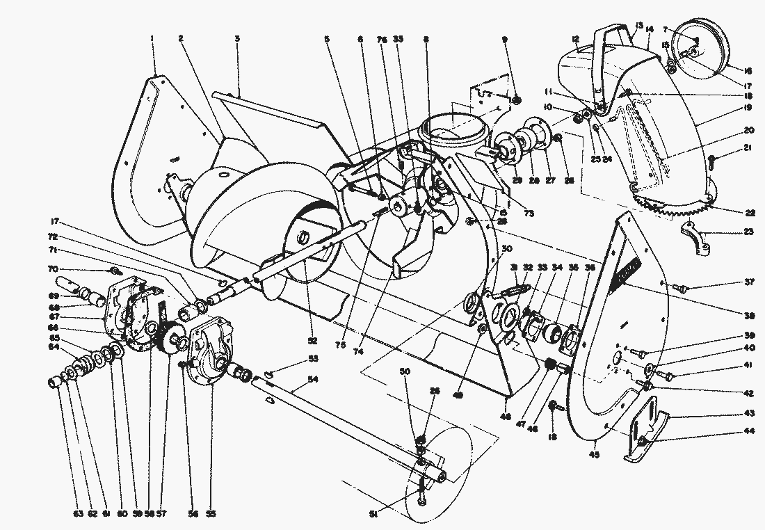
Spare Parts Lists for Toro Roth / TORO Auger Assy.
pos.
decription
spare part number
1
Sideplate Auger Right
43-7440
2
Auger Right
26-6140
Auger Left
26-6150
3
Auger Housing
40-8120
5
Screw-Cap Hex. Hd.
321-44
6
Spacer
66-8010
7
Set Screw
3242-4
8
Carriage Bolt
3230-1
9
Locknut
3296-39
10
Locknut
32152-2
11
Washer Rubber
20-4320
12
Decal-Discharge
63-3760
13
Handle Deflector
20-1410
14
Deflector Chute (Incl. Ref.
11-9379
15
Thrust Washer
3-0737
16
Pulley Impeller
20-1310
17
Key Woodruff
3257-23
18
Carriage Bolt
3231-27
19
Chute
56-2450
20
Wire Chute
54-9770
21
Special Screw
27-0210
22
Swivel Gear Chute
43-7470
23
Retainer Chute
40-8150
24
Pushnuts
3290-326
25
Washer Belleville
3290-340
26
MUTTER
3296-29
27
28
Bearing-Impeller
63-3450
29
30
Positioner-Scraper Blade
26-6400
31
Spring Scraper
5-7290
32
Spacer-Scraper Blade
20-0300
33
Locknut
3296-8
Lists
Toro
Roth / TORO
Ride-On Mowers
Hand operated
Sweeper
Snowthrower
Attachements
Two stage
1332 PowerShift
1232 PowerShift
1132 PowerShift
1132
1028 PowerShift
924 PowerShift
828 PowerShift
824 PowerShift
824 XL
824
612/38080
8000001
7000001
6000001
5000001
4000001
3900001
2000001
Recoil Starter No. 590630
Engine Tecumseh Model No. HM80-155438 P
Carburetor No. 632334A
Electric Start Engine Kit No. 37-4810
Light Kit No. 54-9822 (Optional)
Snow Cab Assy. Model 42-3380 (Optional)
Handle Assy. (Cont.)
Handle Assy.
Engine Assy.
Traction Assy. (Cont.)
Traction Assy.
Auger Assy. (Cont.)
Auger Assy.
724
624 PowerShift
622
521
3521
Single stage
Vac/Blower
Lawnmower
Robin
Terms and Conditions
(C) by motoruf