back to
>
Roth / TORO
>
Hand operated
>
Snowthrower
>
Two stage
>
824
>
612/38080
>
2000001
>
Traction Assy.
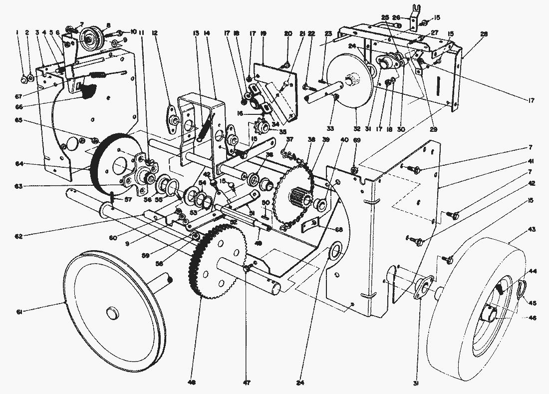
Spare Parts Lists for Toro Roth / TORO Traction Assy.
pos.
decription
spare part number
1
Pushnut
3290-383
2
Washer-Flat
3256-25
3
Side Plate Traction
20-1420
4
Torsion Spring Clutch
20-1160
5
Clutch Rod (Incl. Ref.
8-9019
6
Nut-Lock
3296-59
7
Hex Hd. Thread Forming Screw
32144-69
8
Pulley Idler
3-4244
9
Washer
3256-45
10
Capscrew
323-8
11
Screw Flat Hd
32108-94
12
Bearing-Friction Wheel
20-1620
13
Spring-Clutch Control
11-4640
14
Pivot Shaft
20-1580
15
Thread Forming Screw
32144-11
16
Set Screw
3245-32
17
MUTTER
3296-29
18
Washer
3256-23
19
Bracket-Shaft Support
36-9990
20
Hex Hd. Capscrew
322-2
21
Capscrew
322-3
22
Capscrew
321-33
23
Roll Pin
32121-6
24
Thrust Washer
3-0737
25
Spacer Drive Shaft
26-6370
26
Support Clutch Rod
20-1080
27
Capscrew
322-9
28
Frame Center
26-6360
29
Pivot Bracket
20-1760
30
Standoff Drive Shaft
26-6380
31
Bearing Axle
20-1730
32
Friction Plate
20-1550
33
Locknut
3296-8
34
Bearing-Pillow Block
36-9980
35
Sprocket
5-9820
36
Spacer
3-7384
37
Connecting Link
2710-6
38
Chain
20-1810
39
Gear & Bushing (Incl. Ref.
20-1640
40
Bushing-Flanged
3-1506
41
Side Plate Traction
20-1430
42
Shoulder Screw
11-8140
Lists
Toro
Roth / TORO
Ride-On Mowers
Hand operated
Sweeper
Snowthrower
Attachements
Two stage
1332 PowerShift
1232 PowerShift
1132 PowerShift
1132
1028 PowerShift
924 PowerShift
828 PowerShift
824 PowerShift
824 XL
824
612/38080
8000001
7000001
6000001
5000001
4000001
3900001
2000001
Recoil Starter No. 590630
Engine Tecumseh Model No. HM80-155438 P
Carburetor No. 632334A
Electric Start Engine Kit No. 37-4810
Light Kit No. 54-9822 (Optional)
Snow Cab Assy. Model 42-3380 (Optional)
Handle Assy. (Cont.)
Handle Assy.
Engine Assy.
Traction Assy. (Cont.)
Traction Assy.
Auger Assy. (Cont.)
Auger Assy.
724
624 PowerShift
622
521
3521
Single stage
Vac/Blower
Lawnmower
Robin
Terms and Conditions
(C) by motoruf