back to
>
Roth / TORO
>
Hand operated
>
Snowthrower
>
Two stage
>
824
>
612/38080
>
2000001
>
Engine Assy.
Spare Parts Lists for Toro Roth / TORO Engine Assy.
pos.
decription
spare part number
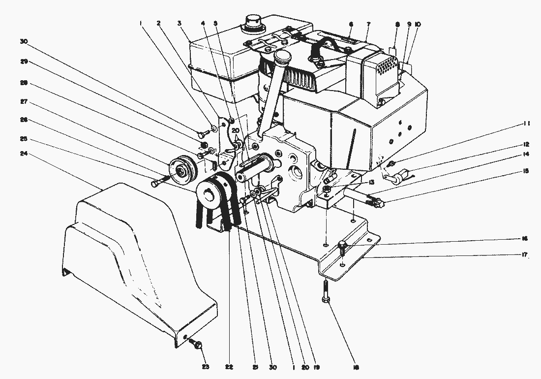
1
Lockwasher
3255-8
2
Idler Arm
20-1800
3
Fuel Tank w/Cap
52-2670
4
Spacer
40-8490
5
Key
5-0930
6
Decal-danger
74-1170
7
8
Decal-Throttle
63-3190
9
Decal-Hot Surface Warning
53-7680
10
Decal-Choke
39-3850
11
Screw Thread Forming
32144-4
12
Module Interlock
41-8601
13
MUTTER
3296-29
14
Nipple-Pipe
289-52
15
Pipe Cap
288-2
16
Hex Hd. Thread Forming Screw
32144-69
17
Plate Engine Mounting
37-0320
18
Capscrew
322-7
19
Belt Retainer
17-5530
20
Washer
3256-23
21
V-Belt Traction
20-1820
22
V-Belt Auger
26-9670
23
Screw Thread Forming
32144-10
24
Belt Guard
20-1830
25
Engine Pulley
21-4100
26
Capscrew
323-8
27
Pulley Idler
3-4244
28
Set Screw
3246-18
29
Nut-Lock
3296-59
30
Capscrew
3210-3
Lists
Toro
Roth / TORO
Ride-On Mowers
Hand operated
Sweeper
Snowthrower
Attachements
Two stage
1332 PowerShift
1232 PowerShift
1132 PowerShift
1132
1028 PowerShift
924 PowerShift
828 PowerShift
824 PowerShift
824 XL
824
612/38080
8000001
7000001
6000001
5000001
4000001
3900001
2000001
Recoil Starter No. 590630
Engine Tecumseh Model No. HM80-155438 P
Carburetor No. 632334A
Electric Start Engine Kit No. 37-4810
Light Kit No. 54-9822 (Optional)
Snow Cab Assy. Model 42-3380 (Optional)
Handle Assy. (Cont.)
Handle Assy.
Engine Assy.
Traction Assy. (Cont.)
Traction Assy.
Auger Assy. (Cont.)
Auger Assy.
724
624 PowerShift
622
521
3521
Single stage
Vac/Blower
Lawnmower
Robin
Terms and Conditions
(C) by motoruf