back to
>
Roth / TORO
>
Hand operated
>
Snowthrower
>
Single stage
>
CCR 2000
>
618/38186
>
0000001
>
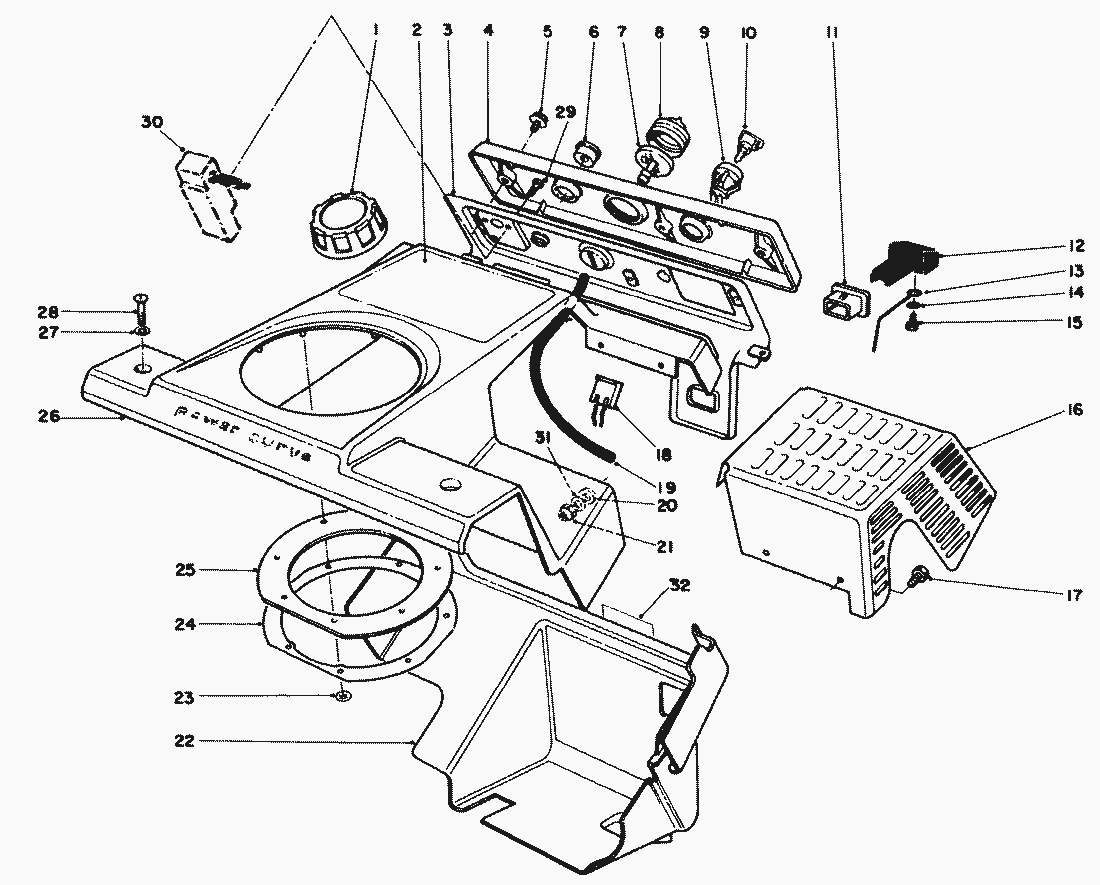
Control Panel & ShroudING Assy.
Spare Parts Lists for Toro Roth / TORO Control Panel & ShroudING Assy.
pos.
decription
spare part number
12-4659
12-5949
pos.
decription
spare part number
1
Gas Cap Assembly
55-3573
2
Decal-CCR-2000
72-9970
4
Name Plate Control (Model No. 38185)
61-4410
4
Name Plate Control (Model No. 38185C)
61-4470
5
SCHRAUBE
12-5450
6
Guide-Starter Rope
55-9410
7
Body-Primer
44-2750
8
Bulb-Primer
66-7460
9
Switch
40-5940
10
Key-Ignition
63-8360
11
Fitting-Choke Control
55-8820
12
Control-Choke (Model No. 38180)
55-8810
12
Control-Choke (Model No. 38180C)
55-8811
13
Linkage-Choke
61-4650
14
Washer
38-5710
15
Screw-Hex Hd.
32104-130
16
Shield-Heat
55-9210
17
Screw-Hex. Hd.
32105-8
18
Connector Body
218-532
19
Hose-Primer
44-3171
20
Washer-Rubber
55-9660
21
Nut-Flange Lock
32153-1
22
Shroud-Lower
55-8791
23
Pushnut
3290-474
24
Retainer-Chute Seal
55-9540
25
Seal-Chute
55-9260
27
Washer
3256-22
28
Screw-Phillips
3250-32
29
Thread Forming Screw
32144-27
30
31
Washer
3256-14
32
Decal-Warning (Model No. 38185C)
61-4790
Lists
Toro
Roth / TORO
Ride-On Mowers
Hand operated
Sweeper
Snowthrower
Attachements
Two stage
Single stage
Snow Commander
CCR 3650 GTS
CCR 3000
CCR 2450
CCR 2400
CCR 2000
618/38186
6900001
5900001
4900001
3900001
2000001
1000001
0000001
Recoil Starter Assy. (Engine Model No. 47PK9)
Muffler Assy. (Engine Model No. 47PK9)
Governor Assy. (Engine Model No. 47PK9)
Carburetor Assy. (Engine Model No. 47PK9)
Flywheel & Ignition Assy. (Engine Model No. 47PK9)
Short Block Assy. (Engine Model No. 47PK9)
Handle Assy.
Starter Engine & Switch Housing Assy.
Control Panel & ShroudING Assy.
Engine & Main Frame Assy.
Rotor Assy.
Discharge Chute Assy.
Housing Assy. (Cont.)
Housing Assy.
618/38185 C
618/38181
618/38180 C
CR 1000
CR 20
CR 20 R
S 620
S 200
CCR Powerlite
Vac/Blower
Lawnmower
Robin
Terms and Conditions
(C) by motoruf