back to
>
Roth / TORO
>
Hand operated
>
Snowthrower
>
Two stage
>
824
>
612/38080
>
7000001
>
Engine Assy.
Spare Parts Lists for Toro Roth / TORO Engine Assy.
pos.
decription
spare part number
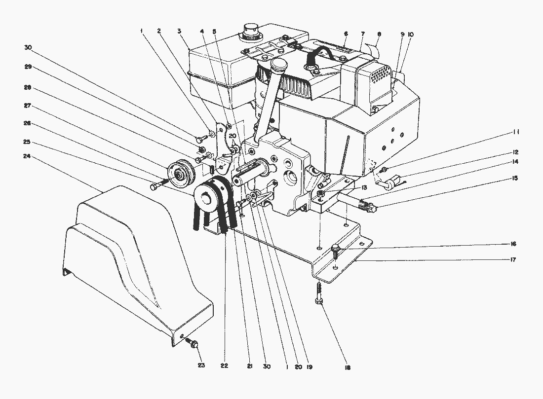
1
Lockwasher
3255-8
2
Idler Arm
20-1800
3
Fuel Tank w/Cap
52-2670
4
Spacer
40-8490
5
Key
5-0930
6
Decal-Hazards Caution
54-9750
7
Engine
49-2890
8
Decal-Primer
39-3860
9
Decal-Hot Surface Warning
53-7680
10
Decal-Choke
39-3850
11
Screw Thread Forming
32144-4
12
Module Interlock
41-8601
13
MUTTER
3296-29
14
Pipe Nipple
289-34
15
Pipe Cap
288-2
16
Hex Hd. Thread Forming Screw
32144-69
17
Plate Engine Mounting
37-0320
18
Capscrew
322-7
19
Belt Retainer
17-5530
20
Washer
3256-23
21
V-Belt Traction
20-1820
22
V-Belt Auger
26-9670
23
Screw Thread Forming
32144-10
24
Belt Guard
20-1830
25
Engine Pulley
21-4100
26
Capscrew
323-8
27
Pulley Idler
3-4244
28
Set Screw
3246-18
29
Locknut
3296-44
30
Capscrew
3210-3
Lists
Toro
Roth / TORO
Ride-On Mowers
Hand operated
Sweeper
Snowthrower
Attachements
Two stage
1332 PowerShift
1232 PowerShift
1132 PowerShift
1132
1028 PowerShift
924 PowerShift
828 PowerShift
824 PowerShift
824 XL
824
612/38080
8000001
7000001
Recoil Starter No. 590630
Engine Tecumseh Model No. HM80-155291L (Cont.)
Engine Tecumseh Model No. HM80-155291L
Carburetor No. 632334
Electric Starter Engine Kit No. 33329C
Light Kit No. 549821 (Optional)
Grader Blade Assy. Model 59099
Handle Assy. (Cont.)
Snow Cab Assy. Model 42-3380
Handle Assy.
Engine Assy.
Tractor Assy. (Cont.)
Auger Assy. (Cont.)
Traction Assy.
Auger Assy.
6000001
5000001
4000001
3900001
2000001
724
624 PowerShift
622
521
3521
Single stage
Vac/Blower
Lawnmower
Robin
Terms and Conditions
(C) by motoruf