back to
>
Roth / TORO
>
Hand operated
>
Snowthrower
>
Two stage
>
824
>
612/38080
>
7000001
>
Handle Assy.
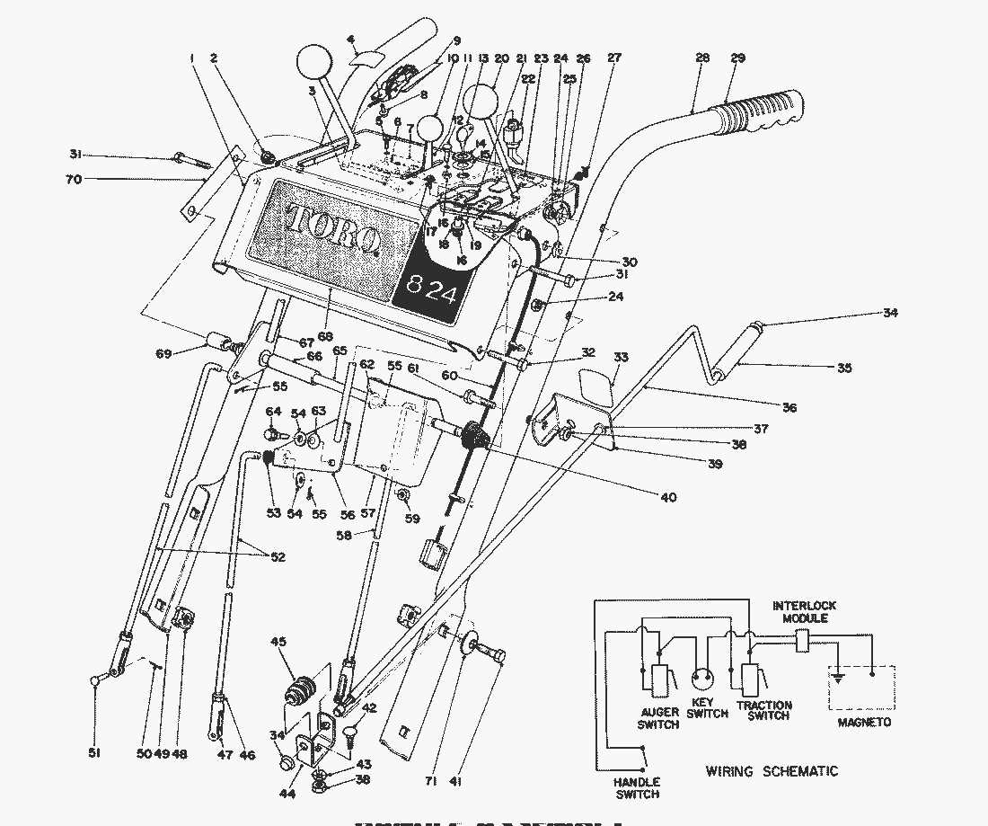
Spare Parts Lists for Toro Roth / TORO Handle Assy.
pos.
decription
spare part number
Key Switch
40-8240
Bracket Chute Control Mounting (Incl. Ref. 4 & 37)
6-3069
pos.
decription
spare part number
1
Escutcheon Plate
40-8470
2
Snap Bushing
237-130
3
Speed Nut
3290-354
4
Decal Safety Interlock
29-6360
5
Machine Screw
3290-313
6
Micro Switch
40-8200
7
Pad Switch Mounting
22-7950
8
Hex Washer Hd. Thread Forming Screw
12-3270
9
Interlock Handle & Switch
40-9690
10
Knob
233-36
11
Throttle Control
40-8480
12
Hex Sems Screw
32140-99
13
Keys
33-2010
14
Hex Nut
218-461
15
Lockwasher
3254-5
16
Nut
3296-2
17
Screw-Machine
3251-5
18
Spacer-Interlock
22-9740
19
Spring-Interlock
22-9730
20
Knob
233-21
21
Slide-Interlock
22-9750
23
Decal-Instructions
29-6340
24
Lock Nut
32152-4
25
Clamp Wire
43-7450
26
Washer Pyramidal
3290-257
27
Mounting Stud
43-7460
28
Handle Left
25-6040
29
Handle Grip
6-0450
30
Klip Ring
32151-43
31
Capscrew
321-11
32
Hex. Hd. Capscrew
321-9
33
Decal Chute Direction
29-6370
34
Push-On Speed Nut
3290-320
35
Chute Control Grip
40-8230
36
Rod-Chute Control
40-8380
37
Nyliner
256-249
38
MUTTER
3296-29
40
Spring Conical
17-5630
41
Hex Screw
323-4
42
Carriage Bolt
3230-2
43
Pyramidal Washer
3290-238
44
Bracket-Chute Worm
40-8280
45
Worm Gear
40-8250
Lists
Toro
Roth / TORO
Ride-On Mowers
Hand operated
Sweeper
Snowthrower
Attachements
Two stage
1332 PowerShift
1232 PowerShift
1132 PowerShift
1132
1028 PowerShift
924 PowerShift
828 PowerShift
824 PowerShift
824 XL
824
612/38080
8000001
7000001
Recoil Starter No. 590630
Engine Tecumseh Model No. HM80-155291L (Cont.)
Engine Tecumseh Model No. HM80-155291L
Carburetor No. 632334
Electric Starter Engine Kit No. 33329C
Light Kit No. 549821 (Optional)
Grader Blade Assy. Model 59099
Handle Assy. (Cont.)
Snow Cab Assy. Model 42-3380
Handle Assy.
Engine Assy.
Tractor Assy. (Cont.)
Auger Assy. (Cont.)
Traction Assy.
Auger Assy.
6000001
5000001
4000001
3900001
2000001
724
624 PowerShift
622
521
3521
Single stage
Vac/Blower
Lawnmower
Robin
Terms and Conditions
(C) by motoruf