back to
>
Roth / TORO
>
Hand operated
>
Snowthrower
>
Two stage
>
824
>
612/38080
>
7000001
>
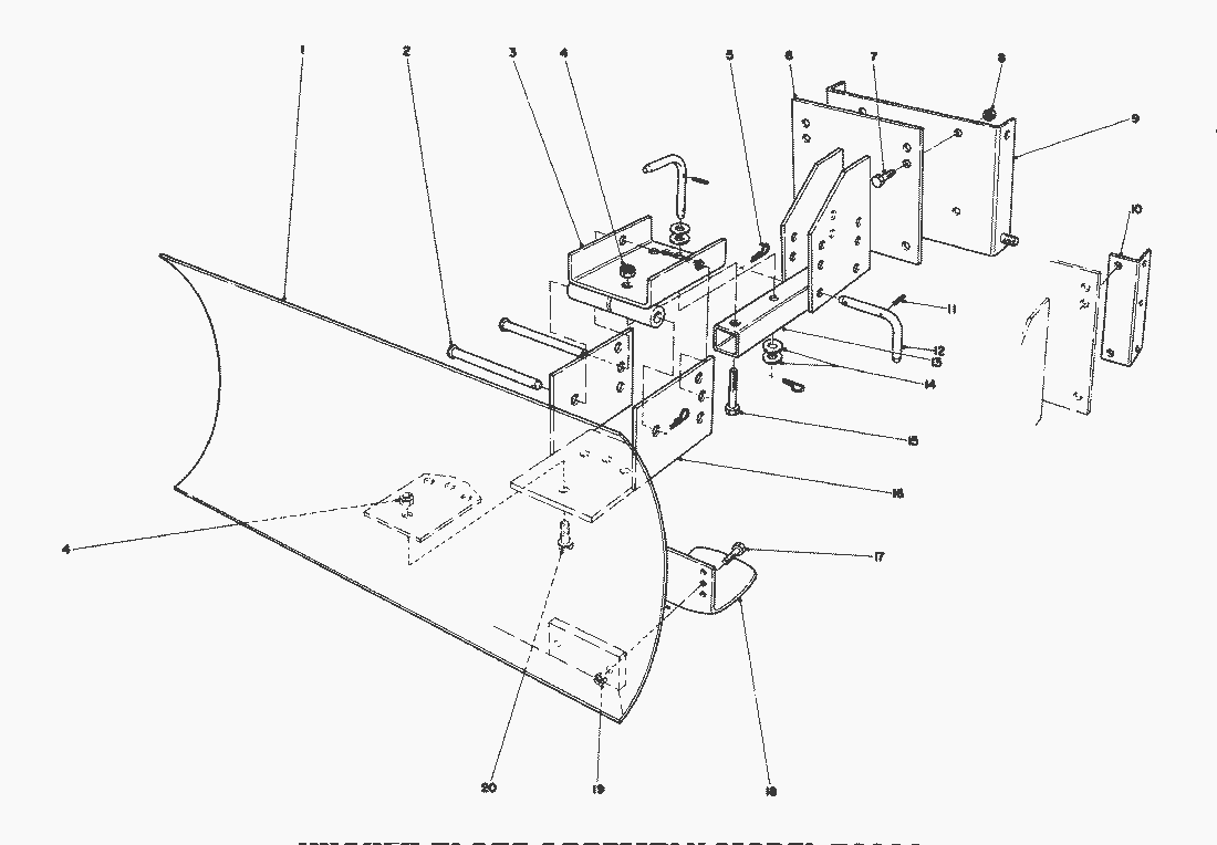
Grader Blade Assy. Model 59099
Spare Parts Lists for Toro Roth / TORO Grader Blade Assy. Model 59099
pos.
decription
spare part number
20-5210
pos.
decription
spare part number
1
Blade
7-4374
2
Pin
283-38
3
Swivel Bracket
20-5090
4
Locknut
32152-3
5
Hair Pin Cotter
3290-322
6
Mounting Plate
20-5170
7
Capscrew
323-6
8
Locknut
32152-2
9
Mounting Plate Bracket (used with 826 and 1032 only)
22-4920
10
Mounting Rail (Used with 421 Units only)
39-7850
11
Roll Pin
32121-45
13
Blade Tongue
20-5140
14
Flat Washer
3256-5
15
Capscrew
325-11
16
Blade Adjustment Plate
20-5130
17
Capscrew
322-6
18
Skid
7-1023
19
Locknut
32152-1
20
Capscrew
325-5
Screw
650152
Decal
31752
Body
31692
Element
30727
Screw, Fil. Hd.
28820
Bracket
31691
Gasket
27277
Lists
Toro
Roth / TORO
Ride-On Mowers
Hand operated
Sweeper
Snowthrower
Attachements
Two stage
1332 PowerShift
1232 PowerShift
1132 PowerShift
1132
1028 PowerShift
924 PowerShift
828 PowerShift
824 PowerShift
824 XL
824
612/38080
8000001
7000001
Recoil Starter No. 590630
Engine Tecumseh Model No. HM80-155291L (Cont.)
Engine Tecumseh Model No. HM80-155291L
Carburetor No. 632334
Electric Starter Engine Kit No. 33329C
Light Kit No. 549821 (Optional)
Grader Blade Assy. Model 59099
Handle Assy. (Cont.)
Snow Cab Assy. Model 42-3380
Handle Assy.
Engine Assy.
Tractor Assy. (Cont.)
Auger Assy. (Cont.)
Traction Assy.
Auger Assy.
6000001
5000001
4000001
3900001
2000001
724
624 PowerShift
622
521
3521
Single stage
Vac/Blower
Lawnmower
Robin
Terms and Conditions
(C) by motoruf